บ้าน > สินค้า > สายฟ้า > โบลท์หัวหกเหลี่ยม > BS สลักเกลียวหกเหลี่ยมสีดำ
        BS สลักเกลียวหกเหลี่ยมสีดำ
        • BS สลักเกลียวหกเหลี่ยมสีดำBS สลักเกลียวหกเหลี่ยมสีดำ
        • BS สลักเกลียวหกเหลี่ยมสีดำBS สลักเกลียวหกเหลี่ยมสีดำ

        BS สลักเกลียวหกเหลี่ยมสีดำ

        โบลท์หกเหลี่ยมสีดำ BS มักใช้ตัวยึดพร้อมเกลียวที่เป็นไปตามมาตรฐาน BS และพื้นผิวที่ผ่านการป้องกันสนิมดำ China Xiaoguo® ยอมรับการซื้อจำนวนมาก ราคาของเราต่ำในขณะที่มั่นใจในคุณภาพของผลิตภัณฑ์ คุณเพียงแค่ต้องบอกความต้องการของคุณมาให้เรา แล้วเราจะเสนอราคาที่แม่นยำที่สุดตามความต้องการของคุณ สามารถซื้อได้ตลอดเวลา
        แบบอย่าง:BS 916-1953

        ส่งคำถาม

        รายละเอียดสินค้า

        โบลท์หกเหลี่ยมสีดำ BSเป็นสลักเกลียวที่ได้มาตรฐานอังกฤษ BS 916-1953 สลักเกลียวประเภทนี้มีการใช้กันอย่างแพร่หลาย ไม่ว่าจะทำสินค้าชิ้นเล็กๆ ที่บ้าน หรือประกอบอุปกรณ์ขนาดใหญ่ในโรงงาน ก็สามารถหา Spec ที่เหมาะสมได้


        รายละเอียดสินค้าและพารามิเตอร์

        ในการประกอบอุปกรณ์เครื่องจักรกลในโรงงานโบลท์หกเหลี่ยมสีดำ BSมักใช้ สำหรับอุปกรณ์ขนาดใหญ่ เช่น เครื่องมือกลและเครน การเชื่อมต่อชิ้นส่วนต่างๆ จะต้องมีความแน่นหนามาก ดังนั้นจึงเลือกสลักเกลียวดังกล่าวเพื่อให้แน่ใจว่าอุปกรณ์ทำงานได้อย่างเสถียรและจะไม่ทำงานผิดปกติเนื่องจากส่วนประกอบหลวม


        ในสภาพแวดล้อมทางอุตสาหกรรม สลักเกลียวนี้สามารถรับประกันการทำงานตามปกติของสายการผลิต การเคลือบออกไซด์สามารถป้องกันการรั่วไหลของน้ำมันได้ พวกเขาสามารถมั่นใจในความปลอดภัยของเครื่องจักรกลหนักและป้องกันไม่ให้ปิดเครื่องเนื่องจากสลักเกลียวหลวม


        ผู้ที่ชื่นชอบงาน DIY ทุกคนชอบใช้สลักเกลียว BS hex ในโรงรถ ไม่ว่าจะทำชั้นวาง ซ่อมอุปกรณ์ทำสวน หรือซ่อมแร็คจักรยาน ทั้งหมดนี้ลงตัวมาก พื้นผิวสีดำผสมผสานกับพื้นผิวสีเข้มได้อย่างลงตัว จะไม่มีเธรดไม่ตรงกันในมิติ BS


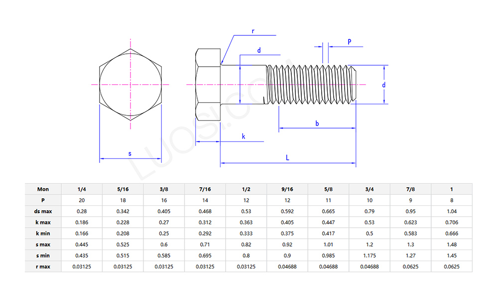
        BS black hex bolts parameters


        สถานการณ์การใช้งาน

        โบลท์หกเหลี่ยมสีดำ BSมีลักษณะต้านทานการกัดกร่อน มักใช้กับม้านั่ง อุปกรณ์ออกกำลังกาย และป้ายโฆษณากลางแจ้งที่ต้องสัมผัสกับองค์ประกอบต่างๆ ในสวนสาธารณะอยู่ตลอดเวลา สามารถใช้งานได้นานและไม่เสี่ยงต่อการเกิดสนิมและความเสียหาย


        วัสดุผลิตภัณฑ์

        สลักเกลียวหกเหลี่ยมสีดำ BS ทำจากวัสดุที่ให้ความสำคัญกับความทนทานและการใช้งานจริงสำหรับการใช้งานทั่วไป วัสดุที่พบมากที่สุดคือเหล็กกล้าคาร์บอน โดยเฉพาะเหล็กกล้าคาร์บอนปานกลาง เหล็กประเภทนี้สร้างความสมดุลระหว่างความแข็งแกร่งและความคุ้มค่า ทำให้เหมาะสำหรับการใช้งานในชีวิตประจำวันและอุตสาหกรรมเบาส่วนใหญ่ เช่น การติดโครงไม้ ขายึดโลหะ หรือชิ้นส่วนเครื่องจักรขนาดเบา สำหรับสถานการณ์ที่ต้องการความต้านทานการกัดกร่อนที่ดีขึ้นในสภาพแวดล้อมที่แห้ง บางรุ่นใช้เหล็กกล้าคาร์บอนผสมต่ำ วัสดุจะต้องผ่านกระบวนการตีขึ้นรูปก่อน ซึ่งจะช่วยเพิ่มความสมบูรณ์ของโครงสร้าง ทำให้โบลต์มีโอกาสน้อยที่จะงอหรือแตกหักภายใต้แรงกดดัน ก่อนดำเนินการต่อไป วัตถุดิบจะถูกตรวจสอบหาข้อบกพร่องพื้นฐาน เช่น รอยแตกร้าวหรือความไม่สม่ำเสมอ ตัวเลือกวัสดุเหล่านี้สอดคล้องกับข้อกำหนด BS (British Standard) เพื่อให้มั่นใจถึงความสม่ำเสมอและความน่าเชื่อถือสำหรับการใช้งานเป็นประจำ

        การรักษาพื้นผิวผลิตภัณฑ์

        การรักษาพื้นผิวของ BS Black Hex Bolts มุ่งเน้นไปที่การป้องกันและการใช้งาน กระบวนการหลักคือการเคลือบแบล็คออกไซด์หรือที่เรียกว่าการทำให้ดำคล้ำ ซึ่งเกี่ยวข้องกับการจุ่มสลักเกลียวลงในสารละลายเคมีที่ก่อให้เกิดชั้นออกไซด์สีดำบางๆ บนพื้นผิว งานหลักของชั้นคือการป้องกันสนิมในสภาพแวดล้อมที่แห้งหรือในร่ม ซึ่งช่วยยืดอายุการใช้งานของสลักเกลียว นอกจากนี้ยังเพิ่มความต้านทานการสึกหรอเล็กน้อย ทำให้โบลต์ยึดเกาะได้ดีขึ้นระหว่างการติดตั้งเมื่อใช้ประแจ ต่างจากการเคลือบที่หนากว่า ชั้นออกไซด์นี้ไม่ส่งผลต่อความพอดีของสลักเกลียวกับน็อตหรือรูเกลียว หลังจากดำคล้ำแล้ว สลักเกลียวจะถูกทำให้แห้งอย่างทั่วถึงเพื่อขจัดความชื้นที่หลงเหลืออยู่ ซึ่งจะช่วยลดความเสี่ยงในการเกิดสนิม กระบวนการเตรียมผิวนี้เรียบง่ายแต่มีประสิทธิภาพ เหมาะกับการใช้งานทั่วไปของโบลท์เหล่านี้โดยไม่ซับซ้อนเป็นพิเศษ  

        ช่วงถามตอบ

        ถาม: ระยะเวลาในการสั่งซื้อจำนวนมากของ BS Black Hex Bolts คืออะไร และคุณให้บริการตัวอย่างฟรีหรือไม่

        สำหรับสลักเกลียวหกเหลี่ยมสีดำ BS ขนาดมาตรฐาน ระยะเวลารอคอยสินค้าสำหรับการสั่งซื้อจำนวนมากคือ 5–10 วันทำการ ในขณะที่ข้อกำหนดเฉพาะแบบกำหนดเองจะใช้เวลา 10–15 วันทำการ ขึ้นอยู่กับปริมาณการสั่งซื้อและความซับซ้อน เราให้บริการตัวอย่างฟรีสำหรับสลักเกลียวหกเหลี่ยมสีดำ BS ทุกรุ่น คุณเพียงแค่ต้องรับผิดชอบค่าจัดส่งเท่านั้น แต่ละตัวอย่างทำด้วยวัสดุและกระบวนการผลิตเดียวกันกับคำสั่งซื้อจำนวนมาก ช่วยให้คุณสามารถทดสอบคุณภาพและความเข้ากันได้ก่อนทำการสั่งซื้อจำนวนมาก    



        แท็กยอดนิยม: BS Black Hex Bolts, จีน, ผู้ผลิต, ผู้จัดจำหน่าย, โรงงาน
        หมวดหมู่ที่เกี่ยวข้อง
        ส่งคำถาม
        โปรดส่งคำถามของคุณในแบบฟอร์มด้านล่าง เราจะตอบกลับคุณภายใน 24 ชั่วโมง
        X
        เราใช้คุกกี้เพื่อมอบประสบการณ์การท่องเว็บที่ดีขึ้น วิเคราะห์การเข้าชมไซต์ และปรับแต่งเนื้อหาในแบบของคุณ การใช้ไซต์นี้แสดงว่าคุณยอมรับการใช้คุกกี้ของเรา นโยบายความเป็นส่วนตัว
        ปฏิเสธ ยอมรับ