การปิดผนึกเหล็กกล้าคาร์บอนเป็นชนิดของตัวยึดชนิดหนึ่งที่ใช้สำหรับเชื่อมต่อแผ่นบาง ๆ หรือโลหะแผ่น พวกเขาทำจากเหล็กกล้าคาร์บอนอารมณ์และดับเพื่อเพิ่มความแข็งและพื้นผิวจะถูกชุบสังกะสีหรือทำอย่างอื่นที่ทนต่อการกัดกร่อน
น็อตที่มีการปิดผนึกนั้นค่อนข้างตรงไปตรงมาคุณสามารถใช้เครื่องมือการคว้าตัวลมหรือไฮดรอลิกมาตรฐาน นี่คือวิธีการทำงาน: อันดับแรกใส่น็อตลงในหลุมที่ถูกเจาะไว้ล่วงหน้าจากนั้นใช้ชุดหมัดและตายเพื่อใช้ความดัน The Die กดแผ่นโลหะรอบ ๆ คอของน็อตทำให้เกิดล็อคเชิงกลที่เป็นของแข็งในขั้นตอนเดียวอย่างรวดเร็ว
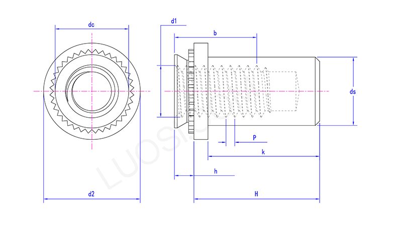
| จอน | M3-1 | M3-2 | M4-1 | M4-2 | M5-1 | M5-2 | M6-1 | M6-2 |
| P | 0.5 | 0.5 | 0.7 | 0.7 | 0.8 | 0.8 | 1 | 1 |
| ds max | 3.84 | 3.84 | 5.2 | 5.2 | 6.35 | 6.35 | 8.75 | 8.75 |
| DC สูงสุด | 4.2 | 4.2 | 5.38 | 5.38 | 6.33 | 6.33 | 8.73 | 8.73 |
| b min | 5.3 | 5.3 | 7.1 | 7.1 | 7.1 | 7.1 | 7.8 | 7.8 |
| H สูงสุด | 0.91 | 1.38 | 0.97 | 1.38 | 0.97 | 1.38 | 1.38 | 1.38 |
| h สูงสุด | 9.85 | 9.85 | 11.45 | 11.45 | 11.45 | 11.45 | 14.55 | 14.55 |
| ชั่วโมงนาที | 9.35 | 9.35 | 10.95 | 10.95 | 10.95 | 10.95 | 14.05 | 14.05 |
| K Max | 8.5 | 8.5 | 9.8 | 9.8 | 9.8 | 9.8 | 12.7 | 12.7 |
| d2 สูงสุด | 6.6 | 6.6 | 8.2 | 8.2 | 9 | 9 | 11.35 | 11.35 |
| D2 นาที | 6.1 | 6.1 | 7.7 | 7.7 | 8.5 | 8.5 | 10.85 | 10.85 |
| D1 | M3 | M3 | M4 | M4 | M5 | M5 | M6 | M6 |
การปิดผนึกเหล็กคาร์บอนคาร์บอนถูกกำหนดโดยการวัดที่สำคัญ: ขนาดของด้าย (เช่น M4, M5, M6, หรือ 1/4 "-20), เส้นผ่านศูนย์กลางปลอกคอ, ความสูงรวม, ขนาดเครื่องซักผ้าปิดผนึกและช่วงความหนาของแผ่นที่พวกเขาทำงานด้วย (ทั้งขั้นต่ำและสูงสุด)
ความแข็งแรงของการกอดของพวกเขา (พวกเขาต่อต้านการถูกผลักออกหรือบิดออกไปได้ดีเพียงใด) ได้รับการทดสอบกับมาตรฐานอุตสาหกรรม (คิดว่า ISO, DIN, IFI) การเลือกขนาดที่เหมาะสมเป็นเรื่องใหญ่ทำให้แน่ใจว่าตราประทับและน็อตแข็งแรงพอสำหรับงาน
ในการติดตั้งการปิดผนึกเหล็กกล้าคาร์บอนคุณต้องมีเครื่องมือการกอดพิเศษและชุดตายที่ตรงกับขนาดของถั่ว ก่อนอื่นใส่น็อตลงในหลุมที่ถูกเจาะไว้ล่วงหน้าในแผ่นโลหะ จากนั้นเครื่องมือจะใช้แรงดันควบคุมซึ่งทำให้นักบินและ Knurl ของน็อตจมลงในโลหะโดยรอบ กระบวนการขึ้นรูปเย็นนี้ล็อคน็อตสแตนเลสให้เข้าที่ดีและในเวลาเดียวกัน นั่นเป็นวิธีที่มันสร้างซีลกันรั่วที่ทำให้ถั่วเหล่านี้ไม่เหมือนใคร
