บ้าน > สินค้า > เข็มหมุด > พินกลม > หมุด Clevis กลึง CNC
        หมุด Clevis กลึง CNC
        • หมุด Clevis กลึง CNCหมุด Clevis กลึง CNC
        • หมุด Clevis กลึง CNCหมุด Clevis กลึง CNC

        หมุด Clevis กลึง CNC

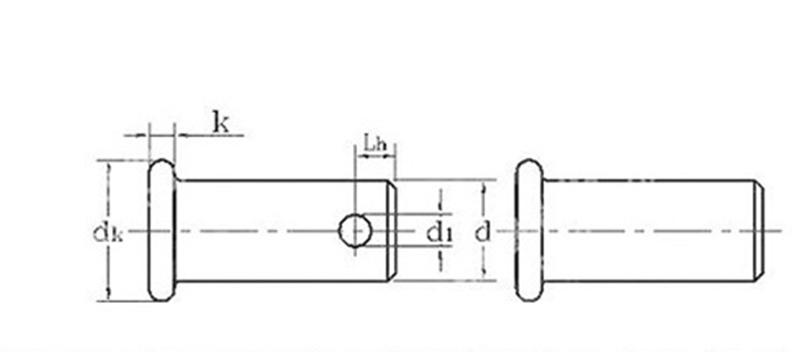
        2. หมุด Clevis ที่กลึงด้วย CNC เป็นหมุดเพลาที่มีหัวโค้งมน ยึดด้วยรูพินและหมุดผ่าหรือน็อตล็อค โดยทั่วไปจะใช้เพื่อเชื่อมต่อส่วนประกอบทางกล เช่น ตัวต่อและแขนควบคุม หมุด Clevis กลึง CNC ของ Xiaoguo ได้รับการกลึง CNC เพื่อให้มั่นใจถึงความแม่นยำและความแข็งแรงสูง คุณจึงสามารถซื้อได้อย่างมั่นใจ

        ส่งคำถาม

        รายละเอียดสินค้า

        เรามีหมุดเคลวิสกลึง CNC ในหลายขนาดทั่วไป โดยมีเส้นผ่านศูนย์กลางตั้งแต่ประมาณ M3 ถึง M24 และความยาวตั้งแต่ 10 มม. ถึง 200 มม. ดังนั้นจึงพอดีกับรูมาตรฐานส่วนใหญ่ ชิ้นส่วนที่สำคัญ เช่น ขนาดส่วนหัวและความยาวของก้านถูกสร้างขึ้นมาเพื่อให้ตรงตามข้อกำหนดทั่วไป

        CNC Machined Clevis Pins

        สำหรับงานที่แตกต่างกัน เรามีเกรดที่แตกต่างกัน มีเกรดปกติสำหรับการใช้งานในชีวิตประจำวันและมีเกรดที่แม่นยำยิ่งขึ้นเมื่อคุณต้องการความกระชับที่มากขึ้น เช่น ในรถยนต์หรือบนเครื่องบิน ทั้งหมดถูกสร้างขึ้นตามกฎทั่วไป เช่น ISO 2341 ดังนั้นคุณจะได้รับสิ่งเดียวกันทุกครั้ง นี่หมายความว่าหมุดเคลวิสกลึง CNC ของเราได้รับการออกแบบมาเพื่อใช้งานร่วมกับขายึดมาตรฐานและชิ้นส่วนในอุปกรณ์ส่วนใหญ่

        การควบคุมคุณภาพผลิตภัณฑ์

        เราทำการตรวจสอบคุณภาพมาตรฐานกับหมุดเคลวิสกลึง CNC เหล่านี้เพื่อให้แน่ใจว่าทำงานได้อย่างถูกต้อง แต่ละอันจะถูกวัดสำหรับสิ่งต่างๆ เช่น เส้นผ่านศูนย์กลาง ความยาว และตำแหน่งรู เพื่อให้แน่ใจว่าขนาดถูกต้อง นอกจากนี้ เรายังทดสอบวัสดุเพื่อตรวจสอบว่าเป็นชนิดที่ถูกต้องและแข็งแรงและแข็งเพียงพอหรือไม่

        เราตรวจดูพื้นผิวเพื่อหารอยขีดข่วน ขอบหยาบ หรือเครื่องหมายอื่นๆ ที่อาจเป็นปัญหา ทุกอย่างเสร็จสิ้นตามกฎอุตสาหกรรมทั่วไป เช่น ISO 2341 เราเก็บบันทึกการทดสอบสำหรับแต่ละชุดเพื่อให้สามารถติดตามได้ในภายหลัง

        หลังจากผ่านการตรวจสอบเหล่านี้แล้ว หมุดเคลวิสกลึง CNC เหมาะที่จะนำไปใช้งานทั่วไปหรือการใช้งานที่สมบุกสมบันมากขึ้นในตำแหน่งที่ต้องอดทน

        ช่วงถามตอบ

        ถาม: หมุด Clevis กลึง CNC ของคุณเป็นไปตามมาตรฐานใด

        ตอบ: หมุด Clevis กลึง CNC มาตรฐานของเราผลิตขึ้นเพื่อให้ตรงตามข้อกำหนดเช่น ISO 2341 หรือ ANSI B18.8.1 ช่วยให้มั่นใจได้ถึงขนาดที่สม่ำเสมอสำหรับเส้นผ่านศูนย์กลางพิน ส่วนหัว และรู รับประกันความพอดีที่เชื่อถือได้และความสามารถในการสับเปลี่ยนในส่วนประกอบของคุณ

        CNC Machined Clevis Pins


        หน่วย:มม
        d สูงสุด 3 4 5 6 8 10 12 14 16 18 20
        นาที 2.94 3.925 4.925 5.925 7.91 9.91 11.89 13.89 15.89 17.89 19.87
        ดีเค สูงสุด 5 6 8 10 12 14 16 18 20 22 25
        นาที 4.7 5.7 7.64 9.64 11.57 13.57 15.57 17.57 19.48 21.48 24.48
        k ชื่อ L 1.5 2 2.5 3 3.5 4
        สูงสุด 1.625 2.125 2.625 3.125 3.65 4.15
        นาที 1.375 1.875 2.375 2.875 3.35 3.85
        ง1 นาที 1.6 2 3.2 4 5 5
        สูงสุด 1.74 2.14 3.38 4.18 5.18 5.18
        เอ่อ มิน 1.6 2.2 2.9 3.2 3.5 4.5 5.5 6 6 7 8



        แท็กยอดนิยม: หมุดปิ๊นกลึง CNC จีน ผู้ผลิต ผู้จำหน่าย โรงงาน
        หมวดหมู่ที่เกี่ยวข้อง
        ส่งคำถาม
        โปรดส่งคำถามของคุณในแบบฟอร์มด้านล่าง เราจะตอบกลับคุณภายใน 24 ชั่วโมง
        X
        เราใช้คุกกี้เพื่อมอบประสบการณ์การท่องเว็บที่ดีขึ้น วิเคราะห์การเข้าชมไซต์ และปรับแต่งเนื้อหาในแบบของคุณ การใช้ไซต์นี้แสดงว่าคุณยอมรับการใช้คุกกี้ของเรา นโยบายความเป็นส่วนตัว
        ปฏิเสธ ยอมรับ