ขยายคลิปหมุดย้ำ
        • ขยายคลิปหมุดย้ำขยายคลิปหมุดย้ำ
        • ขยายคลิปหมุดย้ำขยายคลิปหมุดย้ำ
        • ขยายคลิปหมุดย้ำขยายคลิปหมุดย้ำ
        • ขยายคลิปหมุดย้ำขยายคลิปหมุดย้ำ
        • ขยายคลิปหมุดย้ำขยายคลิปหมุดย้ำ

        ขยายคลิปหมุดย้ำ

        คลิปหมุดย้ำแบบขยายคือตัวยึดพลาสติกที่ติดตั้งโดยการสอดง่ามที่ยืดหยุ่นเข้าไปในรูแล้วแยกออกXiaoguo® เป็นผู้ผลิตที่มีประสบการณ์มืออาชีพมากกว่าสิบปีในอุตสาหกรรมตัวยึด เราสามารถจัดส่งได้ตรงเวลาโดยไม่คำนึงถึงขนาดของคำสั่งซื้อ
        แบบอย่าง:QC/T 350-1999

        ส่งคำถาม

        รายละเอียดสินค้า

        วัสดุที่พบบ่อยที่สุดสำหรับคลิปหมุดย้ำแบบขยายที่เชื่อถือได้คือไนลอน 6/6 เสริมใยแก้วและอะซีตัลโคโพลีเมอร์ (POM) ไนลอน 6/6 แข็งแรงกว่าและทนความร้อนได้ดีกว่า POM คงรูปทรงได้ดี ไม่เสียดสีมากนัก ทนทานต่อการใช้งานซ้ำได้โดยไม่เสื่อมสภาพ

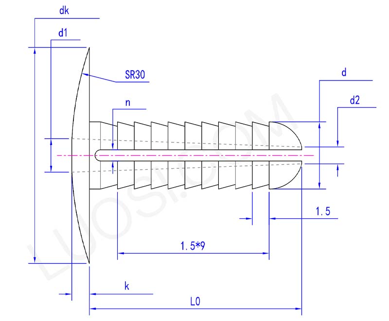
        expanding rivet clip parameter

        จันทร์
        Φ6 Φ8
        Φ10
        สูงสุด
        6 8 10
        นาที
        5.8 7.8 9.8
        สูงสุด
        16.2 16.2 18.2
        ดีเค ขั้นต่ำ
        15.8 15.8 17.8
        เคสูงสุด
        1.6 1.6 2.1
        กิโลนาที
        1.4 1.4 1.9
        L0
        20 20 22
        ง1
        3 4 5
        d2
        1.5 2 3
        n
        1 1 1.5

        พลาสติกวิศวกรรมเหล่านี้ทำให้แน่ใจว่าตัวพินแบบแยกทำงานได้ดีภายใต้ความเค้นเชิงกลและสภาวะที่ยากลำบาก ต่างจากพลาสติกราคาถูกตรงที่ไม่แตกหักง่าย

        การซ่อมบำรุง

        การดูแลคลิปหมุดย้ำที่ขยายออกนั้นทำได้ง่าย ทำจากพลาสติกที่ทนต่อการกัดกร่อน ไม่เป็นสนิม ไม่จำเป็นต้องใช้สารป้องกันสนิมหรือน้ำมัน ก่อนใช้งาน ให้ตรวจสอบความเสียหาย เช่น การแตกร้าว การเสียรูป เปราะ หรือตกขาวจากการโดนแสงแดดเป็นเวลานาน การเปลี่ยนเป็นเรื่องง่าย ไม่จำเป็นต้องใช้เครื่องมือพิเศษ เพียงดึงคลิปเก่าออกข้างขาแล้วแทนที่ด้วยคลิปใหม่ ใช้งานง่าย. ตรวจสอบสภาพของคลิปหมุดย้ำอย่างสม่ำเสมอและเปลี่ยนทันที

        คุณมีความทนทานต่อการเสื่อมสภาพของรังสียูวีเมื่อใช้งานกลางแจ้งเป็นเวลานานหรือไม่

        คลิปหมุดย้ำแบบขยายขนาดมาตรฐานของเรามีตัวป้องกันรังสียูวีในตัวเมื่อเราสร้างคลิปเหล่านั้น แม้ว่าจะโดนแสงแดดเป็นเวลานาน แต่ก็จะไม่แห้ง เปราะหรือแตกง่าย

        การป้องกันรังสียูวีช่วยให้พวกเขาทำงานได้ แข็งแรง ยืดหยุ่น และยึดแน่น แม้ในกิจกรรมกลางแจ้งที่สมบุกสมบัน ลองนึกถึงรถแทรกเตอร์ เครื่องขุด แผงโซลาร์เซลล์ อุปกรณ์การเกษตร ฯลฯ เมื่อเทียบกับพลาสติกทั่วไปที่ไม่มีพลาสติกเหล่านี้ พลาสติกเหล่านี้จะมีอายุการใช้งานยาวนานกว่าโดยที่คุณไม่ต้องยุ่งยากกับมัน


        แท็กยอดนิยม: ขยายคลิปหมุดย้ำ จีน ผู้ผลิต ผู้จำหน่าย โรงงาน
        หมวดหมู่ที่เกี่ยวข้อง
        ส่งคำถาม
        โปรดส่งคำถามของคุณในแบบฟอร์มด้านล่าง เราจะตอบกลับคุณภายใน 24 ชั่วโมง
        X
        เราใช้คุกกี้เพื่อมอบประสบการณ์การท่องเว็บที่ดีขึ้น วิเคราะห์การเข้าชมไซต์ และปรับแต่งเนื้อหาในแบบของคุณ การใช้ไซต์นี้แสดงว่าคุณยอมรับการใช้คุกกี้ของเรา นโยบายความเป็นส่วนตัว
        ปฏิเสธ ยอมรับ