บ้าน > สินค้า > สายฟ้า > โบลท์หัวหกเหลี่ยม > โบลท์หกเหลี่ยมครึ่งเกลียว
        โบลท์หกเหลี่ยมครึ่งเกลียว
        • โบลท์หกเหลี่ยมครึ่งเกลียวโบลท์หกเหลี่ยมครึ่งเกลียว
        • โบลท์หกเหลี่ยมครึ่งเกลียวโบลท์หกเหลี่ยมครึ่งเกลียว

        โบลท์หกเหลี่ยมครึ่งเกลียว

        สลักเกลียวหกเหลี่ยมแบบเกลียวครึ่งคือสลักเกลียวที่มีหัวหกเหลี่ยมธรรมดาและมีเกลียวเพียงส่วนเดียวในส่วนสกรู หากคุณต้องการซื้อที่เป็นไปตามมาตรฐาน BS 916-1953 Xiaoguo® สามารถเสนอราคาให้คุณได้ตลอดเวลา สลักเกลียวที่ผลิตโดยโรงงานของเรามีคุณภาพสูงและราคาต่ำและในขณะเดียวกันก็ตรงตามความต้องการของคุณ หากมีความจำเป็นตอนนี้เราสามารถให้บริการคุณได้
        แบบอย่าง:BS 916-1953

        ส่งคำถาม

        รายละเอียดสินค้า

        เราก็ให้ได้สลักเกลียวหกเหลี่ยมครึ่งเกลียวในสต็อก คุณสามารถใช้ผลิตภัณฑ์ของเราสำหรับการทดสอบ สลักเกลียวของเราติดตั้งง่ายและทนทาน เราสามารถแบ่งปันรายการราคาของเราและคุณสามารถเลือกคุณภาพของผลิตภัณฑ์ที่เหมาะกับคุณได้


        รายละเอียดสินค้าและพารามิเตอร์

        โบลท์หกเหลี่ยมแบบครึ่งเกลียวจะไม่ติดหรือลื่นเมื่อขันให้แน่น ผ่านการทดสอบอย่างเข้มงวดและสามารถทนต่อการปรับเปลี่ยนซ้ำๆ ได้โดยไม่เกิดการสึกหรอ พื้นผิวเคลือบด้วยแบล็คออกไซด์ ซึ่งสามารถป้องกันการเกิดสนิมเล็กน้อยได้อย่างมีประสิทธิภาพ และเหมาะมากสำหรับชิ้นส่วนเครื่องจักรกลที่ต้องปรับเปลี่ยนเป็นครั้งคราว สามารถใช้ประกอบสายพานลำเลียง ซ่อมแซมอุปกรณ์การเกษตร ฯลฯ

        สลักเกลียวชนิดนี้เหมาะสำหรับงานที่ต้องถอดประกอบและประกอบใหม่เป็นประจำ เกลียวมีความแม่นยำแต่ไม่หยาบจนเกินไป ดังนั้นจึงไม่จำเป็นต้องกังวลเกี่ยวกับการเยื้องแนวของเกลียวเมื่อทำการสอบเทียบชิ้นส่วน ช่างยนต์ชอบที่จะใช้มันเพื่อยึดชิ้นส่วนเครื่องยนต์ที่ต้องบำรุงรักษาเป็นประจำ ในขณะที่มือสมัครเล่นใช้มันเพื่อประกอบเฟอร์นิเจอร์หรืออุปกรณ์ติดตั้งในโรงงาน พื้นผิวสีดำสามารถปกปิดคราบไขมันและสิ่งสกปรกได้อย่างมีประสิทธิภาพ


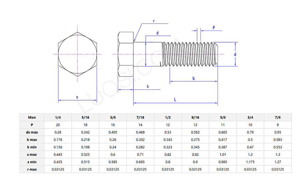
        Half threaded hexagonal bolt parameters


        เคยถอดน๊อตออกเพื่อพยายามปรับอะไรสักอย่างไหม?

        สกรูของสลักเกลียวหกเหลี่ยมครึ่งเกลียวมีเกลียวเพียงครึ่งเดียวซึ่งไม่ขาดง่ายเมื่อขันให้แน่นด้วยประแจ การออกแบบเกลียวทั้งมั่นคงและใช้งานง่าย ทำให้สะดวกในการขันและคลาย เหมาะสำหรับสถานที่ที่ต้องบำรุงรักษาบ่อยครั้ง เช่น ปั๊มและคอมเพรสเซอร์ในอุปกรณ์อุตสาหกรรม รวมถึงชั้นวางที่อาจต้องมีการจัดระเบียบใหม่ที่บ้านในอนาคต


        แท็กยอดนิยม: สลักเกลียวหกเหลี่ยมแบบครึ่งเกลียว จีน ผู้ผลิต ผู้จำหน่าย โรงงาน
        หมวดหมู่ที่เกี่ยวข้อง
        ส่งคำถาม
        โปรดส่งคำถามของคุณในแบบฟอร์มด้านล่าง เราจะตอบกลับคุณภายใน 24 ชั่วโมง
        X
        เราใช้คุกกี้เพื่อมอบประสบการณ์การท่องเว็บที่ดีขึ้น วิเคราะห์การเข้าชมไซต์ และปรับแต่งเนื้อหาในแบบของคุณ การใช้ไซต์นี้แสดงว่าคุณยอมรับการใช้คุกกี้ของเรา นโยบายความเป็นส่วนตัว
        ปฏิเสธ ยอมรับ