บ้าน > สินค้า > สายฟ้า > สลักเกลียวหน้าแปลนหัวหกเหลี่ยม > โบลท์หน้าแปลนหกเหลี่ยมพร้อมการออกแบบร่อง
        โบลท์หน้าแปลนหกเหลี่ยมพร้อมการออกแบบร่อง
        • โบลท์หน้าแปลนหกเหลี่ยมพร้อมการออกแบบร่องโบลท์หน้าแปลนหกเหลี่ยมพร้อมการออกแบบร่อง
        • โบลท์หน้าแปลนหกเหลี่ยมพร้อมการออกแบบร่องโบลท์หน้าแปลนหกเหลี่ยมพร้อมการออกแบบร่อง
        • โบลท์หน้าแปลนหกเหลี่ยมพร้อมการออกแบบร่องโบลท์หน้าแปลนหกเหลี่ยมพร้อมการออกแบบร่อง

        โบลท์หน้าแปลนหกเหลี่ยมพร้อมการออกแบบร่อง

        โบลท์หน้าแปลนหกเหลี่ยมที่มีการออกแบบร่องที่ผลิตโดย Xiaoguo® สามารถใช้ในอุตสาหกรรมต่างๆ เช่น รถยนต์และโครงการก่อสร้าง สลักเกลียวของเราผลิตขึ้นตามมาตรฐาน DIN 6921-1983 เรามีตัวอย่างฟรีให้กับคุณ คุณสามารถติดต่อเราได้ตลอดเวลา
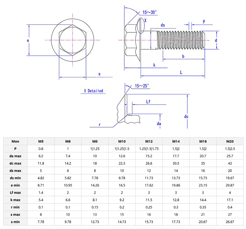
        แบบอย่าง:DIN 6921-1983

        ส่งคำถาม

        รายละเอียดสินค้า

        ที่โบลท์หน้าแปลนหกเหลี่ยมที่มีการออกแบบร่องสามารถป้องกันไม่ให้แป้นจักรยานเสือภูเขาคลายตัวได้ ร่องสามารถยึดเกลียวที่มีคราบมันไว้แน่น และหน้าแปลนสามารถป้องกันไม่ให้หัวโบลท์ฝังอยู่ในขาจานอะลูมิเนียม หลังการติดตั้งสามารถขี่บนถนนที่เป็นหลุมเป็นบ่อได้

        Hexagon Flange Bolt with Grooved Design

        การใช้งานและพารามิเตอร์

        ● ที่โบลท์หน้าแปลนหกเหลี่ยมที่มีการออกแบบร่องสามารถใช้ในอุตสาหกรรมการติดตั้งท่อได้ เช่น ท่อน้ำประปา ท่อแก๊ส และท่อลำเลียงอุตสาหกรรมบางชนิด เป็นต้น เมื่อเชื่อมต่อจะทำให้มั่นใจได้ถึงการปิดผนึกและความแน่นหนา ร่องสามารถฝังด้วยวัสดุซีล เช่น แหวนยาง เพื่อให้ได้ผลการซีลที่ดีมาก และป้องกันการรั่วไหลของของเหลวหรือก๊าซในท่อ

        ● ใช้สำหรับเชื่อมต่อระหว่างดาดฟ้ากับห้องโดยสารของเรือ ร่องสามารถฝังด้วยแถบยางกันน้ำได้ เมื่อขันโบลต์ให้แน่น แผ่นยางจะถูกบีบและบิดเบี้ยว เติมเต็มช่องว่างและมีบทบาทในการกันน้ำได้ดีมาก ป้องกันไม่ให้น้ำทะเลซึมเข้าไปในห้องโดยสารจากส่วนเชื่อมต่อ

        ● สามารถแก้ไขบันไดโกดังที่สั่นคลอนได้ ร่องสามารถกัดคานที่สึกหรอได้ และหน้าแปลนสามารถป้องกันไม่ให้แผ่นเหล็กบางงอได้ สามารถปีนได้อย่างปลอดภัยแม้จะใช้อุปกรณ์หนักก็ตาม

        Hexagon Flange Bolts with Grooved Design

        จุดขายสินค้า

        จุดขายของโบลท์หน้าแปลนหกเหลี่ยมที่มีการออกแบบร่องคือความเก่งกาจของมัน ร่องจะเพิ่มแรงเสียดทานระหว่างวัสดุกับวัสดุที่เชื่อมต่อระหว่างการเชื่อมต่อ ทำให้การเชื่อมต่อมีความปลอดภัยมากขึ้นและมีโอกาสคลายตัวน้อยลง มีผลการปิดผนึกที่ดีกว่าเพื่อป้องกันการรั่วไหลของของเหลวหรือก๊าซ

        แท็กยอดนิยม: โบลท์หน้าแปลนหกเหลี่ยมแบบมีร่อง จีน ผู้ผลิต ผู้จำหน่าย โรงงาน
        หมวดหมู่ที่เกี่ยวข้อง
        ส่งคำถาม
        โปรดส่งคำถามของคุณในแบบฟอร์มด้านล่าง เราจะตอบกลับคุณภายใน 24 ชั่วโมง
        X
        เราใช้คุกกี้เพื่อมอบประสบการณ์การท่องเว็บที่ดีขึ้น วิเคราะห์การเข้าชมไซต์ และปรับแต่งเนื้อหาในแบบของคุณ การใช้ไซต์นี้แสดงว่าคุณยอมรับการใช้คุกกี้ของเรา นโยบายความเป็นส่วนตัว
        ปฏิเสธ ยอมรับ