บ้าน > สินค้า > สายฟ้า > สลักเกลียวหน้าแปลนหัวหกเหลี่ยม > สลักเกลียวหัวหกเหลี่ยมที่มีหน้าแปลน
      สลักเกลียวหัวหกเหลี่ยมที่มีหน้าแปลน
      • สลักเกลียวหัวหกเหลี่ยมที่มีหน้าแปลนสลักเกลียวหัวหกเหลี่ยมที่มีหน้าแปลน
      • สลักเกลียวหัวหกเหลี่ยมที่มีหน้าแปลนสลักเกลียวหัวหกเหลี่ยมที่มีหน้าแปลน
      • สลักเกลียวหัวหกเหลี่ยมที่มีหน้าแปลนสลักเกลียวหัวหกเหลี่ยมที่มีหน้าแปลน

      สลักเกลียวหัวหกเหลี่ยมที่มีหน้าแปลน

      สลักเกลียวศีรษะหกเหลี่ยมที่มีหน้าแปลนมีหน้าแปลนและหัวหกเหลี่ยม ด้านหลังหน้าแปลนเป็นสกรูเกลียว หน้าแปลนสามารถกระจายความดันและลดความดันในท้องถิ่นXiaoguo® Factory ให้สลักเกลียวที่มีขนาดและข้อกำหนดต่าง ๆ พร้อมการจัดส่งที่รวดเร็วและรับประกันคุณภาพ
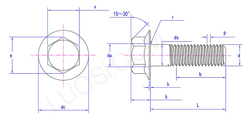
      แบบอย่าง:JIS B1189-1987

      ส่งคำถาม

      รายละเอียดสินค้า

      หัวหกเหลี่ยมของสลักเกลียวหัวหกเหลี่ยมที่มีหน้าแปลนเชื่อมต่อกับหน้าแปลนและหน้าแปลนเชื่อมต่อกับสกรู จุดจบของสิ่งนี้สายฟ้าเชื่อมต่อกับหน้าแปลนมีสกรูเรียบบางส่วนและส่วนที่เหลือของสกรูมีเกลียว หน้าแปลนแทนที่ปะเก็นซึ่งช่วยลดเวลาสำหรับการประกอบและการปรับระหว่างการติดตั้ง เมื่อทำงานด้วยความสูงสลักเกลียวนี้ใช้งานได้จริงกว่าสลักเกลียวธรรมดา ในฐานะผู้ผลิตตัวยึดมืออาชีพXiaoguo®สามารถกำหนดค่าสลักเกลียวของวัสดุที่แตกต่างกันตามสถานการณ์แอปพลิเคชันจริงที่แตกต่างกัน มีวัสดุมากมายเช่นสแตนเลสเหล็กกล้าคาร์บอนและเหล็กโลหะผสม พื้นผิวยังสามารถรักษาด้วยสารเคลือบป้องกันการกัดกร่อน มีหลายขนาดบางอย่างเหมาะสำหรับอุปกรณ์ขนาดใหญ่บางอย่างเหมาะสำหรับอุปกรณ์ขนาดเล็กและบางอย่างเหมาะสำหรับอุปกรณ์ที่มีความแม่นยำ นอกจากนี้เรายังให้การปรับแต่งและปรับแต่งขนาดวัสดุและข้อกำหนดอื่น ๆ ตามความต้องการ

      Hexagon head bolts with flange structure diagram

      จอน
      M4 M5 M6 M8 M10 M12 M14 M16
      P 0.7 0.8 1 1 | 1.25 1.25 | 1.5 1.25 | 1.75 1.5 | 2 1.5 | 2
      DC สูงสุด
      10.5 12 14 17.5 21 25 29 33
      ds max
      4 5 6 8 10 12 14 16
      ds min
      3.9 4.9 5.9 7.85 9.85 11.8 13.8 15.8
      E min
      7.74 8.87 11.05 13.25 15.51 18.9 21.1 24.49
      ชั่วโมงนาที
      0.6 0.7 0.8 1 1.2 1.4 1.6 1.8
      K Max
      4.2 5 6 8 10 11.5 13.5 15
      r min
      0.2 0.2 0.25 0.4 0.4 0.6 0.6 0.6
      S สูงสุด
      7 8 10 12 14 17 19 22
      S min
      6.8 7.8 9.8 11.75 13.75 16.75 18.65 21.65
      ใช่สูงสุด
      4.7 5.7 6.8 9.2 11.2 14.2 16.2 18.2

      แอปพลิเคชัน

      สลักเกลียวหัวหกเหลี่ยมที่มีหน้าแปลนใช้สำหรับการบำรุงรักษารถยนต์และสามารถใช้แทนชิ้นส่วนของเครื่องยนต์ได้ เนื่องจากเครื่องยนต์สั่นสะเทือนอย่างมากเมื่อมันทำงานจึงสามารถใช้ในการแก้ไขชิ้นส่วนใหม่ได้อย่างแน่นหนา ในเวลาเดียวกันพวกเขาจะใช้ในการซ่อมแซมส่วนประกอบของแชสซีซึ่งสามารถมั่นใจได้ว่าจะไม่มีปัญหากับแชสซีเมื่อยานพาหนะกำลังเคลื่อนที่

      สลักเกลียวหัวหกเหลี่ยมพร้อมหน้าแปลนสามารถใช้สำหรับการติดตั้งเครื่องใช้ในครัวเรือนเช่นตู้เย็นและเครื่องซักผ้า เครื่องใช้ในครัวเรือนเหล่านี้จะสั่นสะเทือนเมื่อดำเนินการ หากพวกเขาไม่ได้เชื่อมต่ออย่างแน่นหนาพวกเขาจะไม่เพียง แต่ส่งเสียงดังมาก แต่ยังมีแนวโน้มที่จะได้รับความเสียหาย พวกเขาสามารถเชื่อมต่อส่วนประกอบทั้งหมดของเครื่องใช้ในครัวเรือนเข้าด้วยกันลดผลกระทบของการสั่นสะเทือนและยืดอายุการใช้งานของเครื่องใช้ในครัวเรือน

      สลักเกลียวหัวหกเหลี่ยมที่มีหน้าแปลนใช้สำหรับประกอบโต๊ะทำงานและเก้าอี้สำนักงาน ไม่ว่าจะเป็นโต๊ะทำงานที่มีกรอบโลหะหรือเก้าอี้สำนักงานที่มีฟังก์ชั่นที่ปรับความสูงได้พวกเขาสามารถแก้ไขส่วนประกอบทั้งหมดได้อย่างแน่นหนา ในการใช้งานประจำวันการเคลื่อนไหวบ่อยครั้งและการปรับความสูงของโต๊ะและเก้าอี้จะไม่ทำให้พวกเขาหลุดออกไป

      สลักเกลียวศีรษะหกเหลี่ยมที่เราผลิตสามารถป้องกันการล่มสลายของเฟอร์นิเจอร์ระเบียง พวกเขาสามารถกระจายความดันไปยังขาโต๊ะสั่น

      การใช้ผลิตภัณฑ์

      คุณต้องการพินตะขอเทรลเลอร์ที่จะไม่คลายหรือไม่?

      สลักเกลียวหัวหกเหลี่ยมที่มีหน้าแปลนสามารถแก้ไขได้อย่างแน่นหนา แผ่นดิสก์ของหน้าแปลนสามารถป้องกันไม่ให้หัวสลักเกลียวสวมโลหะและรูปร่างหัวหกเหลี่ยมสามารถทนต่อการบำรุงรักษาเลี่ยนที่ริมถนน คุณไม่จำเป็นต้องตรวจสอบบ่อยๆ หลังจากการติดตั้งคุณสามารถย้ายสินค้าได้อย่างง่ายดาย

      แท็กยอดนิยม: สลักเกลียวหัวหกเหลี่ยมที่มีหน้าแปลนจีนผู้ผลิตซัพพลายเออร์โรงงาน
      หมวดหมู่ที่เกี่ยวข้อง
      ส่งคำถาม
      โปรดส่งคำถามของคุณในแบบฟอร์มด้านล่าง เราจะตอบกลับคุณภายใน 24 ชั่วโมง
      X
      We use cookies to offer you a better browsing experience, analyze site traffic and personalize content. By using this site, you agree to our use of cookies. Privacy Policy
      Reject Accept