เม็ดมีด
      • เม็ดมีดเม็ดมีด
      • เม็ดมีดเม็ดมีด
      • เม็ดมีดเม็ดมีด
      • เม็ดมีดเม็ดมีด

      เม็ดมีด

      เม็ดมีดที่เมาเป็นขดลวดที่มีความแม่นยำและล็อคด้วยตนเองที่ออกแบบมาเพื่อให้เกลียวภายในที่ทนทาน Xiaoguo®โรงงานป้องกันการติดฉลากป้องกันการติดฉลากของโรงงานป้องกันลูกค้าจากการเลียนแบบที่ต่ำกว่ามาตรฐาน
      แบบอย่าง:DIN 7965-1965

      ส่งคำถาม

      รายละเอียดสินค้า

      เม็ดมีดเป็นขดลวดเกลียวที่ทำจากลวดเพชร ได้รับการออกแบบมาเพื่อสร้างเธรดภายในที่แข็งแกร่งในวัสดุที่นุ่มกว่าหรือเมื่อเธรดดั้งเดิมเสียหาย คุณใส่มันลงในหลุมที่ถูกแตะไว้ล่วงหน้าและให้พื้นผิวเกลียวที่ยาวนานและยาวนานซึ่งทำให้การประกอบนานขึ้น เม็ดมีดที่เมาแล้วทำงานเหมือนแขนเสื้อถาวร - มันกระจายความดันออกอย่างสม่ำเสมอและหยุดด้ายจากการลอกหรือเสียหาย นี่เป็นวิธีแก้ปัญหาที่ใช้งานได้จริงสำหรับการยึดอย่างปลอดภัยในสถานการณ์ที่ยากลำบากซึ่งวัสดุพื้นฐานไม่แข็งแรงพอ

      Screwed inserts

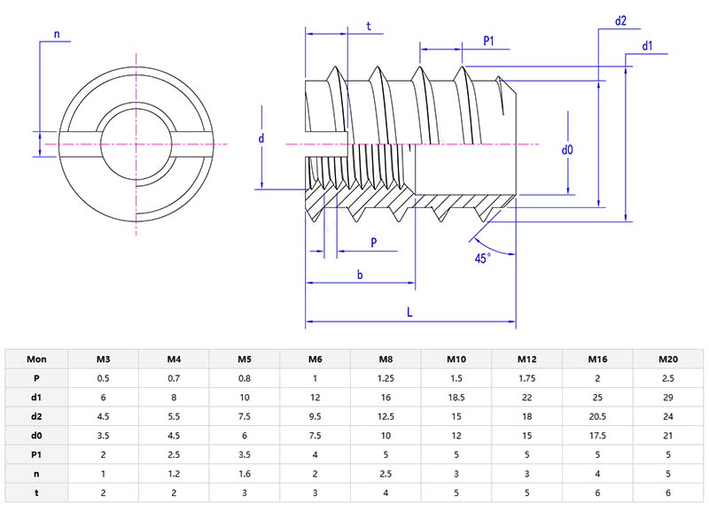
      รายละเอียดผลิตภัณฑ์และพารามิเตอร์

      ข้อได้เปรียบหลักของเม็ดมีดสกรูคือพวกเขาสามารถแก้ไขและเสริมสร้างเกลียวที่ถูกถอดออกหรืออ่อนแอซึ่งช่วยให้คุณไม่ต้องเปลี่ยนชิ้นส่วนที่มีค่าใช้จ่ายมาก พวกเขาเพิ่มแรงดึงออกและแรงเฉือนมากกว่าแค่วัสดุฐานด้วยตัวเอง การใส่เม็ดมีดที่เมานั้นไม่ยากเกินไป - คุณสามารถทำได้ด้วยเครื่องมือปกติ นอกจากนี้พวกเขายังคงได้ดีกับการสั่นสะเทือนหยุดโลหะที่แตกต่างจากการสึกกร่อนซึ่งกันและกันและตรวจสอบให้แน่ใจว่าเธรดยังคงสม่ำเสมอและสามารถใช้งานได้อีกครั้ง ที่ทำเม็ดมีดเมาตัวเลือกที่ชาญฉลาดหากคุณต้องการสิ่งที่น่าเชื่อถือโดยไม่ต้องใช้จ่ายมากเกินไป

      Screwed inserts

      คำถามที่พบบ่อย

      ถาม: สิ่งนี้สร้างเธรดที่แข็งแกร่งขึ้นได้อย่างไรเมื่อเทียบกับการแตะวัสดุฐานอย่างไร

      A: Aเม็ดมีดเข้าไปในหลุมที่เจาะไว้ล่วงหน้าและแตะที่ใหญ่กว่าปกติเล็กน้อย ขดลวดทำจากลวดรูปเพชรซึ่งทำให้พื้นที่ผิวมีมากขึ้นเพื่อเก็บภาระและกระจายความเครียดออกมาอย่างสม่ำเสมอตามเกลียว สิ่งนี้จะช่วยป้องกันไม่ให้วัสดุฐานที่นุ่มนวลขึ้นจากการลอกความเสียหายหรือเสื่อมสภาพเมื่อมีการสั่นสะเทือนหรือการใช้งานหนัก ผลที่ได้คือการเชื่อมต่อแบบเกลียวที่แข็งแรงและยาวนานซึ่งดีกว่าเกลียวแบบแตะปกติโดยเฉพาะอย่างยิ่งในโลหะอ่อนหรือพลาสติก


      แท็กยอดนิยม: สกรูเม็ดมีด, จีน, ผู้ผลิต, ซัพพลายเออร์, โรงงาน
      หมวดหมู่ที่เกี่ยวข้อง
      ส่งคำถาม
      โปรดส่งคำถามของคุณในแบบฟอร์มด้านล่าง เราจะตอบกลับคุณภายใน 24 ชั่วโมง
      X
      เราใช้คุกกี้เพื่อมอบประสบการณ์การท่องเว็บที่ดีขึ้น วิเคราะห์การเข้าชมไซต์ และปรับแต่งเนื้อหาในแบบของคุณ การใช้ไซต์นี้แสดงว่าคุณยอมรับการใช้คุกกี้ของเรา นโยบายความเป็นส่วนตัว
      ปฏิเสธ ยอมรับ