บ้าน > สินค้า > สายฟ้า > สลักเกลียว > สลักเกลียวยึดคอเหลี่ยมหัวเหลี่ยม
        สลักเกลียวยึดคอเหลี่ยมหัวเหลี่ยม
        • สลักเกลียวยึดคอเหลี่ยมหัวเหลี่ยมสลักเกลียวยึดคอเหลี่ยมหัวเหลี่ยม
        • สลักเกลียวยึดคอเหลี่ยมหัวเหลี่ยมสลักเกลียวยึดคอเหลี่ยมหัวเหลี่ยม
        • สลักเกลียวยึดคอเหลี่ยมหัวเหลี่ยมสลักเกลียวยึดคอเหลี่ยมหัวเหลี่ยม

        สลักเกลียวยึดคอเหลี่ยมหัวเหลี่ยม

        สลักเกลียวยึดคอสี่เหลี่ยมหัวสี่เหลี่ยมมีหัวสี่เหลี่ยมที่มีคอสี่เหลี่ยมเชื่อมต่อกับหัวที่ด้านล่างและมีโครงสร้างเกลียวที่ปลายอีกด้าน สลักเกลียวที่ผลิตโดยโรงงานXiaoguo®เหมาะสำหรับโครงการ DIY ขนาดเล็กและการก่อสร้างขนาดใหญ่ และสามารถใช้ได้ดีกับคอนกรีตและวัสดุแข็งอื่น ๆ
        แบบอย่าง:BS 7419-1991

        ส่งคำถาม

        รายละเอียดสินค้า

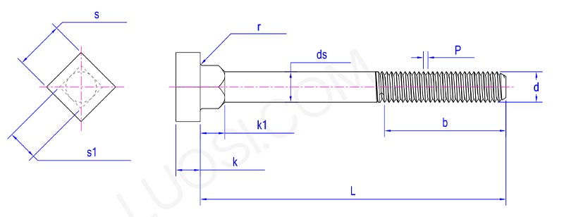
        หัวของสลักเกลียวยึดคอเหลี่ยมหัวเหลี่ยมเป็นรูปสี่เหลี่ยมจัตุรัสและคอก็เช่นกัน การออกแบบหัวสี่เหลี่ยมทำให้มีพื้นที่สัมผัสขนาดใหญ่สำหรับประแจ ทำให้มั่นใจได้ถึงการใช้แรงที่มั่นคงยิ่งขึ้น ใช้งานได้จริงโดยเฉพาะในสถานการณ์ที่ต้องใช้แรงบิดสูงและมาตรการป้องกันการลื่น

        พารามิเตอร์ผลิตภัณฑ์

        square head square neck anchor bolts parameter

        จันทร์
        ม16
        ม20
        ม24
        ม30
        ม36
        ม42
        ม48
        ม56
        ม64
        P
        2 2.5 3 3.5 4 4.5 5 5.5 6
        ข สูงสุด
        122 127.5 133 140.5 148 155.5 163 172.5 182
        บีมิน
        116 120 124 130 136 142 148 156 164
        สูงสุด
        16.7 20.84 24.84 30.84 37 43 49 57.2 65.2
        ขั้นต่ำ DS
        15.3 19.16 23.16 29.16 35 41 47 54.8 62.8
        เค มิน
        9.25 11.6 14.1 17.65 21.45 24.95 28.95 33.75 38.75
        เคสูงสุด
        10.75 13.4 15.9 19.75 23.55 27.05 31.05 36.25 41.25
        อาร์นาที
        0.6 0.8 0.8 1 1 1.2 1.6 2 2
        สูงสุด
        24 30 36 46 55 65 75 85 95
        นาที
        23.16 29.16 35 45 53.8 63.1 73.1 82.8 92.8
        K1 นาที
        7.25 9.25 11.1 14.1 17.1 19.95 22.95 26.95 30.75
        k1 สูงสุด
        8.75 10.75 12.9 15.9 18.9 22.05 25.05 29.05 33.25
        s1 สูงสุด
        16.7 20.84 24.84 30.84 37 43 49 57.2 65.2
        ส1 นาที
        15.3 19.16 23.16 29.16 35 41 47 54.8 62.8

        คุณสมบัติผลิตภัณฑ์

        สลักเกลียวยึดคอเหลี่ยมหัวเหลี่ยมหมายถึงสลักเกลียวที่ฝังแน่นก่อนที่คอนกรีตจะแข็งตัว หลังจากที่คอนกรีตแข็งตัวแล้ว คอเหลี่ยมจะล็อคตัวสลักเกลียวเพื่อป้องกันไม่ให้หมุนเมื่อขันน็อตให้แน่นในภายหลัง เป็นฐานรากที่ยึดวัตถุที่มีน้ำหนักมาก เช่น เสา เครื่องจักร หรือเหล็กโครงสร้างเข้ากับฐานคอนกรีตโดยตรง

        สลักเกลียวได้รับการติดตั้งอย่างแน่นหนา เมื่อขันน็อตให้แน่น คอเหลี่ยมจะถูกยึดแน่นกับวัสดุที่ติดตั้ง เช่น คอนกรีต หรือไม้ เพื่อป้องกันไม่ให้โบลต์หมุนไปพร้อมกับน็อต ด้วยวิธีนี้ วัตถุที่อยู่กับที่จึงสามารถอยู่กับที่ได้อย่างมั่นคง และจะไม่สั่นหรือเคลื่อนตัวได้ง่าย

        การติดตั้งสลักเกลียวเมตริกนี้ดำเนินการในระหว่างกระบวนการเทคอนกรีต คุณสามารถใช้แม่แบบหรืออุปกรณ์จับยึดเพื่อวางตำแหน่ง โดยต้องแน่ใจว่าปลายเกลียวหงายขึ้น ขั้นตอนสำคัญคือการฝังส่วนคอสี่เหลี่ยมลงในคอนกรีตเปียก เมื่อคอนกรีตแข็งตัวบริเวณคอสี่เหลี่ยม ก็จะจับคอสี่เหลี่ยมได้อย่างแน่นหนา หลังจากนั้นคุณเพียงแค่วางสิ่งของไว้บนสลักเกลียวแล้วขันน็อตให้แน่นกับเกลียวที่เปิดออก

        โบลท์พุกคอเหลี่ยมหัวเหลี่ยมมีความทนทานต่อแรงกระแทก เนื่องจากโบลต์ถูกล็อคทางกายภาพเข้ากับคอนกรีตด้วยวัสดุแข็งที่อยู่รอบๆ คอสี่เหลี่ยม จึงมีโอกาสน้อยที่จะคลายตัวเนื่องจากการสั่นสะเทือนหรือการเคลื่อนไหว ซึ่งช่วยให้สามารถยึดเครื่องจักรหรือโครงสร้างที่มีการสั่นสะเทือนซึ่งอยู่ภายใต้แรงไดนามิก เช่น ลมหรือการจราจรได้อย่างน่าเชื่อถือ


        แท็กยอดนิยม: สลักเกลียวยึดคอเหลี่ยมหัวเหลี่ยม จีน ผู้ผลิต ผู้จำหน่าย โรงงาน
        หมวดหมู่ที่เกี่ยวข้อง
        ส่งคำถาม
        โปรดส่งคำถามของคุณในแบบฟอร์มด้านล่าง เราจะตอบกลับคุณภายใน 24 ชั่วโมง
        X
        เราใช้คุกกี้เพื่อมอบประสบการณ์การท่องเว็บที่ดีขึ้น วิเคราะห์การเข้าชมไซต์ และปรับแต่งเนื้อหาในแบบของคุณ การใช้ไซต์นี้แสดงว่าคุณยอมรับการใช้คุกกี้ของเรา นโยบายความเป็นส่วนตัว
        ปฏิเสธ ยอมรับ