เจาะลึกความขัดแย้ง
        • เจาะลึกความขัดแย้งเจาะลึกความขัดแย้ง
        • เจาะลึกความขัดแย้งเจาะลึกความขัดแย้ง
        • เจาะลึกความขัดแย้งเจาะลึกความขัดแย้ง
        • เจาะลึกความขัดแย้งเจาะลึกความขัดแย้ง

        เจาะลึกความขัดแย้ง

        Xiaoguo® มีอุปกรณ์การผลิตที่ทันสมัยหลากหลายที่มีประสิทธิภาพสูงและสามารถขนส่งได้ในปริมาณมาก แท่นยึดแบบเจาะใช้เพื่อรองรับการยึดแบบทรงกระบอกพร้อมเกลียวภายใน มักใช้ในระบบยานยนต์ ระบบควบคุมทางอุตสาหกรรม และอุปกรณ์อิเล็กทรอนิกส์สำหรับผู้บริโภคเพื่อเพิ่มเสถียรภาพ
        แบบอย่าง:QIB/IND KFB3

        ส่งคำถาม

        รายละเอียดสินค้า

        เมื่อติดตั้งอย่างถูกต้อง แท่นเจาะเหล่านี้จะก่อให้เกิดการเชื่อมต่อแบบกันแก๊สและเชื่อมเย็นในลามิเนต PCB พวกเขามีความน่าเชื่อถือทางกลที่แข็งแกร่งจริงๆ

        การเชื่อมต่อนี้แทบจะไม่คลายจากการสั่นสะเทือนหรือการหมุนเวียนของความร้อนเลย

        ผู้ผลิตที่ดีต้องแน่ใจว่าสตั๊ดเหล่านี้ตรงตามมาตรฐานคุณภาพที่เข้มงวด เช่น ISO 9001 หรือ IATF 16949 นอกจากนี้ พวกเขายังทดสอบอย่างละเอียดอีกด้วย เช่น ตรวจสอบแรงดึงออก ต้านทานแรงบิดได้ดีเพียงใด และแท่งชุบดีแค่ไหน ทั้งหมดเพื่อให้แน่ใจว่ามีประสิทธิภาพสม่ำเสมอ

        จันทร์
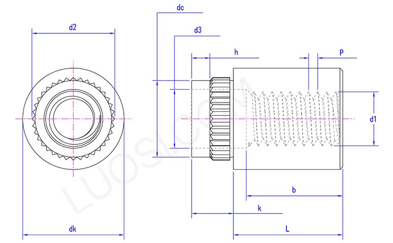
        ม3 ม4
        P
        0.5 0.7
        กระแสตรงสูงสุด
        4.2 6.33
        สูงสุด d2
        4.63 6.76
        d2 นาที
        4.47 6.6
        ชั่วโมงสูงสุด
        1.25 1.25
        ชั่วโมง
        0.75 0.75
        เคสูงสุด
        2.29 2.29
        สูงสุด d3
        3.31 5.31
        d3 นาที
        3.15 5.15
        ข สูงสุด
        9.9 9.9
        ข นาที
        9.1 9.1
        ง1
        ม3 ม4
        สูงสุด
        5.69 8.87
        ดีเค ขั้นต่ำ
        5.43 8.61

        broaching standoffs parameter

        ข้อได้เปรียบ

        การเลือกจุดยืนเจาะที่เหมาะสมจะให้ความคุ้มค่า เป็นวิธียึดติดสิ่งของต่างๆ ที่แข็งแกร่ง ถาวร และเชื่อถือได้ ทำให้ผลิตภัณฑ์มีอายุการใช้งานยาวนานขึ้น และลดปัญหาในภาคสนาม

        การติดตั้งอย่างรวดเร็วและลดต้นทุนการประกอบโดยอัตโนมัติ นอกจากนี้ ยังต้านทานการสั่นสะเทือน ดังนั้นผลิตภัณฑ์จึงทนทานได้นานขึ้นในสภาพแวดล้อมที่ยากลำบาก

        โดยรวมแล้ว นี่เป็นส่วนสำคัญสำหรับการตั้งค่ากลไกที่ปลอดภัยและมีประสิทธิภาพในส่วนประกอบอิเล็กทรอนิกส์ขั้นสูง

        broaching standoffs

        การต่อสายดินหรือการแยกไฟฟ้า

        วิธีการทำงานของแท่นตัดเจาะเหล่านี้ด้วยระบบไฟฟ้านั้นขึ้นอยู่กับส่วนประกอบและวิธีการออกแบบ

        กระดุมอลูมิเนียมนำไฟฟ้าได้ค่อนข้างดี มักใช้สำหรับการต่อสายดินเมื่อสัมผัสกับระนาบทองแดงบนกระดาน

        หมุดเหล็กไม่นำไฟฟ้าเช่นกัน แต่สามารถชุบเพื่อช่วยได้

        หากคุณต้องการแยกไฟฟ้า แหวนรองบ่าที่ไม่นำไฟฟ้า หรือการออกแบบสตั๊ดบางแบบ เช่น แบบหน้าแปลนที่มีฉนวน ให้หยุดไม่ให้สตั๊ดสัมผัสกับทองแดงที่อยู่รอบๆ บน PCB

        เมื่อเลือกอันหนึ่ง อย่าลืมบอกว่าคุณต้องการการเชื่อมต่อไฟฟ้าหรือจำเป็นต้องแยกไฟฟ้าไว้

        แท็กยอดนิยม: เจาะ Standoffs จีน ผู้ผลิต ผู้จำหน่าย โรงงาน
        หมวดหมู่ที่เกี่ยวข้อง
        ส่งคำถาม
        โปรดส่งคำถามของคุณในแบบฟอร์มด้านล่าง เราจะตอบกลับคุณภายใน 24 ชั่วโมง
        X
        เราใช้คุกกี้เพื่อมอบประสบการณ์การท่องเว็บที่ดีขึ้น วิเคราะห์การเข้าชมไซต์ และปรับแต่งเนื้อหาในแบบของคุณ การใช้ไซต์นี้แสดงว่าคุณยอมรับการใช้คุกกี้ของเรา นโยบายความเป็นส่วนตัว
        ปฏิเสธ ยอมรับ