บ้าน > สินค้า > ถั่วเชื่อม > น็อตเชื่อม > น็อตสี่เหลี่ยมเชื่อม Class 5 พร้อม Type 1D
        น็อตสี่เหลี่ยมเชื่อม Class 5 พร้อม Type 1D
        • น็อตสี่เหลี่ยมเชื่อม Class 5 พร้อม Type 1Dน็อตสี่เหลี่ยมเชื่อม Class 5 พร้อม Type 1D
        • น็อตสี่เหลี่ยมเชื่อม Class 5 พร้อม Type 1Dน็อตสี่เหลี่ยมเชื่อม Class 5 พร้อม Type 1D
        • น็อตสี่เหลี่ยมเชื่อม Class 5 พร้อม Type 1Dน็อตสี่เหลี่ยมเชื่อม Class 5 พร้อม Type 1D

        น็อตสี่เหลี่ยมเชื่อม Class 5 พร้อม Type 1D

        น็อตสี่เหลี่ยมเชื่อมคลาส 5 ประเภท 1D เป็นไปตามมาตรฐานความแข็งแรงเกรด 5 ได้รับการออกแบบในรูปแบบ 1D และเหมาะสำหรับการเชื่อมบนพื้นผิวโลหะ เหมาะสำหรับเครื่องจักรที่มีความเข้มข้นปานกลาง โครงเหล็ก หรืออุปกรณ์อุตสาหกรรม โรงงานXiaoguo®มีประสบการณ์มากกว่าสิบปีในการผลิตสปริงและมีบุคลากรมืออาชีพที่จะตอบสนองความต้องการของคุณ
        แบบอย่าง:JIS B1196-2-2001

        ส่งคำถาม

        รายละเอียดสินค้า

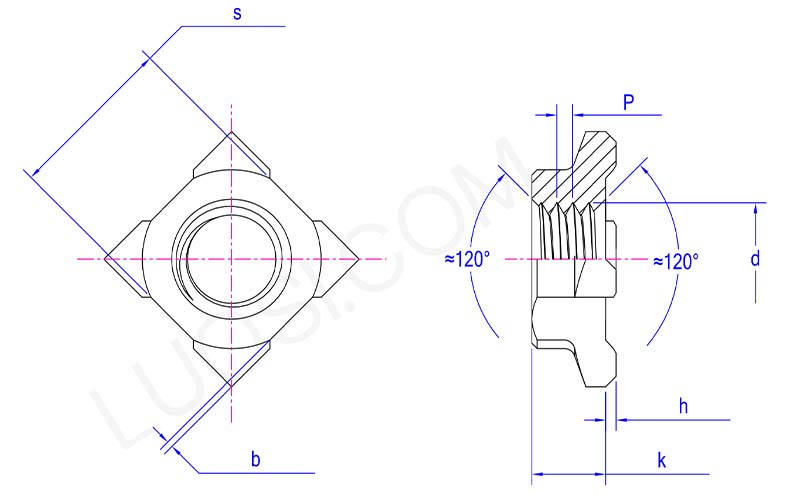
        น็อตสี่เหลี่ยมเชื่อมคลาส 5 ชนิด 1D มีด้านแบนสี่ด้าน ตรงกลางของน็อตมีรูเกลียวมาตรฐาน ซึ่งสะดวกสำหรับใช้กับโบลท์ที่เข้าชุดกัน บนพื้นผิวการเชื่อมของน็อต มีส่วนยื่นออกมาเล็กๆ หลายจุด ซึ่งเป็นส่วนสำคัญในการเชื่อม

        ข้อดีของผลิตภัณฑ์

        น็อตสี่เหลี่ยมเชื่อมคลาส 5 ประเภท 1D ไม่มีการออกแบบรูเชิงมุม แต่จะมีการออกแบบส่วนที่ยื่นออกมาขนาดเล็กและนูนขึ้นที่ด้านล่างแทน ได้รับการออกแบบมาโดยเฉพาะสำหรับการเชื่อมจุดต้านทาน อิเล็กโทรดกดลง และกระแสจะไหลผ่านบริเวณที่ยกขึ้น บริเวณที่ยกขึ้นจะละลายและหลอมน็อตเข้ากับโลหะที่อยู่ด้านล่างทันที

        น็อตสี่เหลี่ยมสำหรับงานเชื่อม Class 5 ชนิด 1D นั้นเชื่อมได้ง่ายและรวดเร็ว จัดวางอุปกรณ์ให้ตรงกับส่วนที่ยื่นออกมาเล็กๆ บนน็อต และใช้ความร้อนเล็กน้อย จากนั้นสามารถเชื่อมน็อตเข้ากับแผ่นเหล็กหรือชิ้นงานโลหะอื่น ๆ ได้อย่างรวดเร็ว เมื่อเปรียบเทียบกับน็อตทั่วไปที่ต้องขันสกรูในการติดตั้ง วิธีนี้ช่วยประหยัดเวลาได้มาก น็อตไม่น่าจะหมุนได้ง่าย และความเสถียรของมันดีกว่าน็อตทรงกลมมาก

        ข้อดีที่สำคัญประการหนึ่งของการเชื่อมน็อตสี่เหลี่ยมประเภท 1D กับคลาส 5 คือความสม่ำเสมอของกระบวนการเชื่อม เนื่องจากส่วนที่ยื่นออกมาสามารถควบคุมตำแหน่งการก่อตัวของรอยเชื่อมได้อย่างแม่นยำ เครื่องเชื่อมจุดอัตโนมัติจึงสามารถให้ผลลัพธ์ที่เชื่อถือได้ในแต่ละรอบ เมื่อเทียบกับการเชื่อมทะลุรูด้วยมือ ความเป็นไปได้ที่ความแข็งแรงในการเชื่อมไม่เพียงพอเนื่องจากการวางแนวของปืนเชื่อมไม่ตรงจะต่ำกว่ามาก

        หลังจากใช้น็อตสี่เหลี่ยมเชื่อม Class 5 ประเภท 1D แล้ว ให้ตรวจสอบนักเชื่อม คุณควรเห็นจุดหลอมเหลวที่มั่นคงที่ส่วนที่ยื่นออกมาแต่ละอัน ดูเหมือนว่ามันจะหลอมละลายเข้ากับวัสดุฐานอย่างสมบูรณ์ หากยังคงมองเห็นรูปร่างที่ยื่นออกมา หรือดูเหมือนไหม้เกรียม/มีรอยขีดข่วน อาจจำเป็นต้องปรับการตั้งค่าการเชื่อม (กระแส เวลา ความดัน) เพื่อให้เกิดการยึดเกาะที่มั่นคง

        พารามิเตอร์ผลิตภัณฑ์

        จันทร์
        ม4 ม5 ม6 ม8 ม10 ม12
        P
        0.7 0.8 1 1|1.25 1.25|1.5 1.25|1.75
        สูงสุด
        8 9 10 12 14 17
        นาที
        7.64 8.64 9.64 11.57 13.57 16.57
        เคสูงสุด
        3.2 4 5 6.5 8 10
        กิโลนาที
        2.9 3.7 4.7 6.14 7.64 9.57
        ชั่วโมงสูงสุด
        1 1 1 1 1 1.2
        ชั่วโมง
        0.8 0.8
        0.8
        0.8
        0.8
        1
        ข สูงสุด
        0.5 0.5 0.5 1 1 1
        ข นาที
        0.3 0.3 0.3 0.5 0.5 0.5

        parameter of Class 5 weld square nuts with type 1D

        แท็กยอดนิยม: น็อตสี่เหลี่ยมเชื่อมคลาส 5 พร้อมประเภท 1D จีน ผู้ผลิต ผู้จำหน่าย โรงงาน
        หมวดหมู่ที่เกี่ยวข้อง
        ส่งคำถาม
        โปรดส่งคำถามของคุณในแบบฟอร์มด้านล่าง เราจะตอบกลับคุณภายใน 24 ชั่วโมง
        X
        เราใช้คุกกี้เพื่อมอบประสบการณ์การท่องเว็บที่ดีขึ้น วิเคราะห์การเข้าชมไซต์ และปรับแต่งเนื้อหาในแบบของคุณ การใช้ไซต์นี้แสดงว่าคุณยอมรับการใช้คุกกี้ของเรา นโยบายความเป็นส่วนตัว
        ปฏิเสธ ยอมรับ