บ้าน > สินค้า > ถั่วเชื่อม > น็อตเชื่อม > น็อตเชื่อมสไตล์ T พร้อม Type 1A
        น็อตเชื่อมสไตล์ T พร้อม Type 1A
        • น็อตเชื่อมสไตล์ T พร้อม Type 1Aน็อตเชื่อมสไตล์ T พร้อม Type 1A
        • น็อตเชื่อมสไตล์ T พร้อม Type 1Aน็อตเชื่อมสไตล์ T พร้อม Type 1A

        น็อตเชื่อมสไตล์ T พร้อม Type 1A

        น็อตเชื่อมแบบ T ประเภท 1A ได้รับการออกแบบมาเป็นพิเศษสำหรับการเชื่อมโลหะและเป็นไปตามข้อกำหนด 1A เพื่อให้มั่นใจว่ามีความแน่นพอดี เหมาะสำหรับโครงโลหะ ส่วนรองรับ หรืออุปกรณ์เครื่องจักรกล ดีไซน์รูปตัว T ช่วยประหยัดพื้นที่ โรงงาน Xiaoguo® มีสินค้าในสต็อกจำนวนมาก นอกจากนี้เรายังสามารถปรับแต่งและจัดหาผลิตภัณฑ์ที่ตรงตามความต้องการเฉพาะได้
        แบบอย่าง:JIS B1196-3.1-2001

        ส่งคำถาม

        รายละเอียดสินค้า

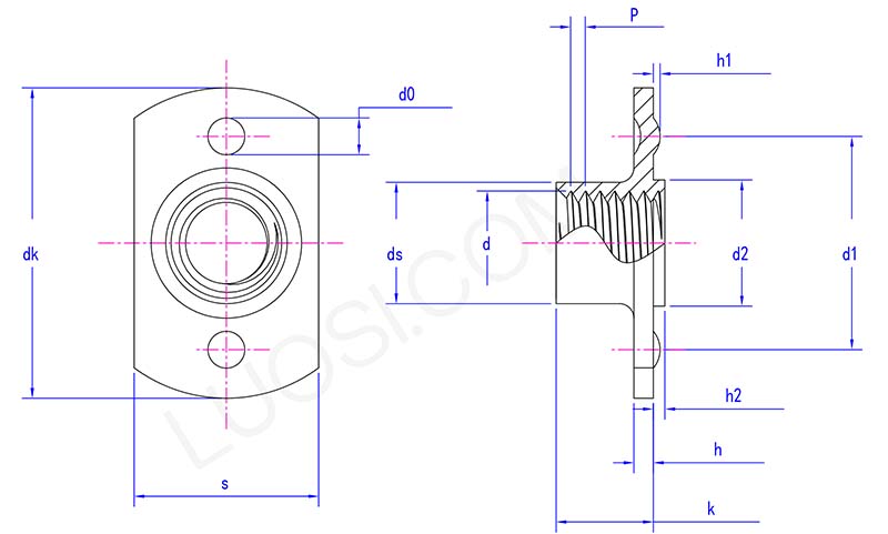
        น็อตเชื่อมแบบ T ชนิด 1A มีรูปทรงคล้ายตัวอักษร "T" โดยมีส่วนทรงกระบอกเกลียวอยู่ที่ด้านล่าง มีส่วนยื่นออกมาเล็กๆ หลายจุดบนหน้าแปลน ซึ่งออกแบบมาเพื่อการเชื่อมโดยเฉพาะ ข้อมูลจำเพาะของเกลียวทั่วไปมีตั้งแต่ M4 ถึง ม12

        พารามิเตอร์ผลิตภัณฑ์

        T style weld nuts with type 1A parameter

        จันทร์
        ม4 ม5 ม6 ม8 ม10 ม12
        P
        0.7 0.8 1 1|1.25 1.25|1.5 1.25|1.75
        สูงสุด
        20.5 20.5 23.7 23.7 31 33.2
        ดีเค ขั้นต่ำ
        19.5 19.5 22.3 22.3 29 30.8
        สูงสุด
        12.25 12.25 14.3 14.3 19.4 21.5
        นาที
        11.75 11.75 13.7 13.7 18.6 20.5
        สูงสุด
        5.9 6.7 8.3 10.2 13.2 15.2
        ขั้นต่ำ
        5.4 6.2 7.8 9.5 12.5 14.5
        เคสูงสุด
        5.9 6.9 7.5 9 10.6 11.8
        กิโลนาที
        5.1 6.1 6.5 8 9.4 10.2
        ชั่วโมงสูงสุด
        1.4 1.4 1.85 1.85 2.3 2.3
        ชั่วโมง
        1 1 1.35 1.35 1.7 1.7
        สูงสุด d2
        6.9 6.9 8.9 10.9 12.9 14.9
        d2 นาที
        6.7
        6.7
        8.7
        10.7
        12.7
        14.7
        สูงสุด h2
        0.8 0.8
        0.8
        0.8
        1.2 1.2
        ชั่วโมง 2 นาที
        0.6 0.6
        0.6
        0.6
        1 1
        สูงสุด d0
        3.25 3.25
        3.25
        3.25
        4.05 4.05
        d0 นาที
        2.75 2.75
        2.75
        2.75
        3.55 3.55
        สูงสุด h1
        0.6 0.6
        0.6
        0.6
        0.7 0.7
        ชั่วโมง 1 นาที
        0.4 0.4
        0.4
        0.4
        0.5
        0.5
        สูงสุด d1
        15.2 15.2
        17.25 17.25 22.3 24.3
        d1 นาที
        14.8 14.8 16.75 16.75 21.7 23.7

        คุณสมบัติผลิตภัณฑ์และการติดตั้ง

        น็อตเชื่อมแบบ T ชนิด 1A มีโครงสร้างรูปตัว T ที่โดดเด่น หน้าแปลนสามารถเพิ่มพื้นที่สัมผัสด้วยแผ่นโลหะ กระจายแรงกด และทำให้การเชื่อมมีความปลอดภัยมากขึ้น ขนาดและความสูงของส่วนที่ยื่นออกมาจากการเชื่อมบนหน้าแปลนจะเท่ากัน และความร้อนจะสม่ำเสมอในระหว่างกระบวนการเชื่อม มีความแม่นยำของเกลียวสูง เมื่อขันโบลต์เข้าไปจะรู้สึกนุ่มนวลมากโดยไม่เกิดการติดขัดหรือคลายตัว

        T style weld nuts with type 1A

        น็อตเชื่อมชนิด T 1A ตั้งชื่อตามรูปร่าง: ตัวน็อตหกเหลี่ยมติดตั้งอย่างเยื้องศูนย์กลางบนแผ่นฐานสี่เหลี่ยม (หน้าแปลน) ประเภท 1A บ่งบอกว่าได้รับการออกแบบสำหรับการเชื่อมอาร์ก (MIG หรือ TIG) รอบขอบของหน้าแปลน การออกแบบรูปทรง 'T' ช่วยให้คุณสามารถวางตำแหน่งรูเกลียวในตำแหน่งที่ต้องการได้ แม้จะอยู่ใกล้ขอบซึ่งไม่สามารถติดตั้งน็อตตรงกลางได้ และทำได้อย่างง่ายดาย

        การติดตั้งน็อตเชื่อมแบบ T ประเภท 1A หมายถึงการเชื่อมตามแนวขอบของหน้าแปลนสี่เหลี่ยม ฐานรอง/แผ่นรอง น๊อตตัวเมีย ชนิด 1A แบนและไม่มีรูหรือส่วนที่ยื่นออกมา คุณสามารถใช้ MIG หรือ TIG เพื่อสร้างเม็ดเชื่อมต่อเนื่องตามแนวขอบหน้าแปลนได้ การหลอมรวมที่ดีโดยรวมถือเป็นสิ่งสำคัญ เนื่องจากนี่เป็นวิธีเดียวที่จะยึดหน้าแปลนได้ กรุณาทำความสะอาดโลหะให้สะอาดล่วงหน้า

        น็อตเชื่อมชนิด 1A T มีราคาแพงกว่าทั่วไปถั่วสี่เหลี่ยม- คุณจะต้องจ่ายค่ารูปร่างการประมวลผลของหน้าแปลนและวัสดุเพิ่มเติม นอกจากนี้ยังใช้เวลานานกว่าในการเชื่อมรอบหน้าแปลนอย่างถูกต้อง โดยเฉพาะอย่างยิ่งเมื่อจำเป็นต้องเยื้องตำแหน่งเกลียว ให้ใช้ตำแหน่งดังกล่าว มิฉะนั้นถั่วมาตรฐานอาจมีราคาถูกกว่า

        แท็กยอดนิยม: ถั่วเชื่อมสไตล์ T พร้อม Type 1A จีน ผู้ผลิต ผู้จำหน่าย โรงงาน
        หมวดหมู่ที่เกี่ยวข้อง
        ส่งคำถาม
        โปรดส่งคำถามของคุณในแบบฟอร์มด้านล่าง เราจะตอบกลับคุณภายใน 24 ชั่วโมง
        X
        เราใช้คุกกี้เพื่อมอบประสบการณ์การท่องเว็บที่ดีขึ้น วิเคราะห์การเข้าชมไซต์ และปรับแต่งเนื้อหาในแบบของคุณ การใช้ไซต์นี้แสดงว่าคุณยอมรับการใช้คุกกี้ของเรา นโยบายความเป็นส่วนตัว
        ปฏิเสธ ยอมรับ