บ้าน > สินค้า > สายฟ้า > สลักเกลียวหัวกลม > โปรไฟล์สลักเกลียวปลา
        โปรไฟล์สลักเกลียวปลา
        • โปรไฟล์สลักเกลียวปลาโปรไฟล์สลักเกลียวปลา
        • โปรไฟล์สลักเกลียวปลาโปรไฟล์สลักเกลียวปลา
        • โปรไฟล์สลักเกลียวปลาโปรไฟล์สลักเกลียวปลา

        โปรไฟล์สลักเกลียวปลา

        โปรไฟล์สลักเกลียวปลา โปรไฟล์สลักเกลียวปลาที่ผลิตโดยโรงงานXiaoguo®ได้รับการประมวลผลที่แม่นยำ กระบวนการผลิตทั้งหมดผ่านการตรวจสอบอย่างเข้มงวด ตามมาตรฐาน AS 1085.4-2002 คุณไม่ต้องกังวลเกี่ยวกับคุณภาพของผลิตภัณฑ์ เรามีตัวอย่างฟรีให้คุณทดสอบ
        แบบอย่าง:ASME/ANSI B18.10-1-2006

        ส่งคำถาม

        รายละเอียดสินค้า

        ที่โปรไฟล์สลักเกลียวปลาส่วนใหญ่จะใช้เพื่อเชื่อมต่อแผ่นปลาบนราง ทำให้รางรถไฟทั้งสองส่วนสามารถต่อเข้าด้วยกันอย่างแน่นหนาจนกลายเป็นรางยาวได้ เราสามารถผลิตได้ตามมาตรฐานสากลต่างๆ เช่น BS, ASTM, DIN และมาตรฐานอื่นๆ

        รายละเอียดสินค้า

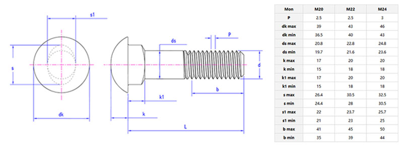
        สลักเกลียวมีรูปทรงหัวหลายแบบ เช่น หัวกลม หัวเหลี่ยม และหัวหกเหลี่ยม ส่วนสกรูเป็นแบบเกลียว และสเปคขนาดมีความหลากหลายมาก โดยทั่วไปเส้นผ่านศูนย์กลางจะอยู่ในช่วงตั้งแต่ M10 ถึง M24 และความยาวอาจมีตั้งแต่หลายสิบมิลลิเมตรไปจนถึงมากกว่าร้อยมิลลิเมตร วัสดุทั่วไป ได้แก่ เหล็กกล้าคาร์บอน เช่น เหล็ก Q235 และ 45# ตลอดจนเหล็กกล้าไร้สนิม

        ที่โปรไฟล์สลักเกลียวปลาใช้ในอุตสาหกรรมรถไฟ เมื่อวางรางรถไฟพวกเขาจะใช้เพื่อเชื่อมต่อส่วนต่างๆของรางทีละส่วน ทุกๆ วัน รางรถไฟจะแล่นผ่านรถไฟที่เร็วและหนักหลายขบวน ซึ่งทำให้เกิดแรงสั่นสะเทือนและความกดดันอย่างมาก สลักเกลียวสามารถล็อคข้อต่อรางได้อย่างแน่นหนาเพื่อให้มั่นใจถึงความมั่นคงของราง และทำให้รถไฟวิ่งได้อย่างปลอดภัยและราบรื่น ไม่ว่าจะเป็นรถไฟบรรทุกสินค้าสำหรับการขนส่งทางไกลหรือรถไฟความเร็วสูงและรถไฟธรรมดาสำหรับบรรทุกผู้โดยสารไม่มีใครสามารถทำได้หากไม่มี

        Fish bolt profile

        จุดขายสินค้า

        ที่โปรไฟล์สลักเกลียวปลาการเชื่อมต่อทั้งมั่นคงและใช้งานได้จริง สามารถยึดข้อต่อรางรถไฟได้แน่นหนา เมื่อรถไฟวิ่งรางจะไม่เคลื่อนตัวหรือคลายตัวได้ง่าย นอกจากนี้ยังมีความสามารถรอบด้านและสามารถใช้ได้กับรถไฟหนัก รางไฟขนาดเล็ก และรางบางรางในอุตสาหกรรม

        พารามิเตอร์ผลิตภัณฑ์

        Fish bolt profile


        บรรจุภัณฑ์สินค้า

        บรรจุภัณฑ์ของโปรไฟล์ Fish bolt ถูกสร้างขึ้นเพื่อการจัดเก็บและการขนส่งในทางปฏิบัติ แต่ละชุดจะถูกจัดเรียงตามขนาดก่อน จากนั้นจึงบรรจุในถุงพลาสติกหนาจำนวน 50 หรือ 100 ชิ้นต่อถุง ถุงถูกปิดผนึกอย่างแน่นหนาเพื่อป้องกันฝุ่นและความชื้น หลีกเลี่ยงสนิมหรือความเสียหายของด้าย จากนั้นใส่ถุงเล็กๆ เหล่านี้ลงในกล่องกระดาษลูกฟูก กล่องแต่ละกล่องมีฉลากพร้อมข้อมูลพื้นฐาน: ขนาด ปริมาณ วันที่ผลิต และหมายเลขชุด สำหรับการสั่งซื้อจำนวนมาก กล่องจะซ้อนกันบนพาเลทไม้และยึดด้วยสายรัดเหล็กเพื่อป้องกันการเลื่อนระหว่างการขนส่ง วิธีการบรรจุหีบห่อนี้ง่ายต่อการจัดการ ไม่ว่าจะสำหรับการจัดเก็บในคลังสินค้าหรือการใช้งานนอกสถานที่ อีกทั้งยังช่วยตรวจสอบสินค้าคงคลังอย่างรวดเร็วและดำเนินการตามคำสั่งซื้อสำหรับการจัดส่งทั้งในประเทศและต่างประเทศ


        ช่วงถามตอบ

        ถาม: รายละเอียดมาตรฐานของ Fish bolt มีข้อกำหนดอะไรบ้าง?

        ตอบ: โปรไฟล์ Fish bolt ส่วนใหญ่เป็นไปตามมาตรฐานสากลของรางรถไฟเช่น DIN และ ISO ข้อกำหนดทั่วไป ได้แก่ เส้นผ่านศูนย์กลางก้านตั้งแต่ 16 มม. ถึง 30 มม. และความยาวตั้งแต่ 80 มม. ถึง 200 มม. พารามิเตอร์เหล่านี้ได้รับการปรับแต่งสำหรับการเชื่อมต่อรางและหมอนรอง เราสามารถจัดเตรียมตารางข้อกำหนดโดยละเอียดได้ และโปรไฟล์ Fish bolt แบบกำหนดเองก็มีให้ตามความต้องการโครงการรถไฟเฉพาะของคุณ  



        แท็กยอดนิยม: โปรไฟล์สลักเกลียวปลา จีน ผู้ผลิต ผู้จำหน่าย โรงงาน
        หมวดหมู่ที่เกี่ยวข้อง
        ส่งคำถาม
        โปรดส่งคำถามของคุณในแบบฟอร์มด้านล่าง เราจะตอบกลับคุณภายใน 24 ชั่วโมง
        X
        เราใช้คุกกี้เพื่อมอบประสบการณ์การท่องเว็บที่ดีขึ้น วิเคราะห์การเข้าชมไซต์ และปรับแต่งเนื้อหาในแบบของคุณ การใช้ไซต์นี้แสดงว่าคุณยอมรับการใช้คุกกี้ของเรา นโยบายความเป็นส่วนตัว
        ปฏิเสธ ยอมรับ