สลักเกลียวหัวแบน
        • สลักเกลียวหัวแบนสลักเกลียวหัวแบน
        • สลักเกลียวหัวแบนสลักเกลียวหัวแบน
        • สลักเกลียวหัวแบนสลักเกลียวหัวแบน

        สลักเกลียวหัวแบน

        บริษัท Xiaoguo®ให้บริการสลักเกลียวหัวแบนที่กำหนดเอง คุณเพียงแค่ต้องบอกขนาดการรักษาพื้นผิววัสดุภาพวาด ฯลฯ ของผลิตภัณฑ์ เราจะเสนอใบเสนอราคาที่ดีที่สุดให้คุณ คุณสามารถติดต่อเราได้ตลอดเวลา
        แบบอย่าง:GJB 134.4-1986

        ส่งคำถาม

        รายละเอียดสินค้า

        หัวของสลักเกลียวหัวแบนแบน หลังจากการติดตั้งมันสามารถล้างด้วยพื้นผิวของวัสดุคงที่โดยไม่ยื่นออกมาชิ้นหนึ่ง พื้นผิวโดยรวมค่อนข้างแบน สกรูเป็นเกลียว ข้อกำหนดขนาดมีความหลากหลายตั้งแต่ M3 ขนาดเล็กไปจนถึง M20 ที่ใหญ่กว่า ฯลฯ

        Flat head bolts

        รายละเอียดผลิตภัณฑ์


        สลักเกลียวใช้สำหรับการติดตั้งฮาร์ดแวร์เฟอร์นิเจอร์ พวกเขาจะใช้เมื่อติดตั้งบานพับที่ซ่อนอยู่หรือสไลด์ลิ้นชักบนตู้ มันสามารถฝังได้อย่างเต็มที่ในไม้หรือบอร์ดอนุภาคโดยไม่ต้องทิ้งชิ้นส่วนที่ยื่นออกมาเพื่อจับเสื้อผ้าหรือลิ้นชัก

        ที่สลักเกลียวหัวแบนใช้สำหรับแผงอุปกรณ์การแพทย์ บนรถเข็นทางการแพทย์หรืออุปกรณ์ถ่ายภาพแผงตรวจสอบต้องใช้ตัวยึดที่แน่นและราบรื่น ทรงผมแบนสามารถป้องกันถุงมือหรือน้ำตาผ่าตัดเดี่ยวและทำความสะอาดง่าย

        สามารถใช้สำหรับการบำรุงรักษาและซ่อมแซมอุปกรณ์อุตสาหกรรม ส่วนประกอบบางส่วนของอุปกรณ์เครื่องจักรกลขนาดใหญ่ในโรงงานอาจต้องเปลี่ยนใหม่ในระหว่างการดำเนินการเนื่องจากเหตุผลเช่นการสั่นสะเทือนและการสึกหรอ เมื่อติดตั้งส่วนประกอบเหล่านี้ใหม่พวกเขาสามารถมั่นใจได้ว่าการติดตั้งที่มั่นคงโดยไม่ส่งผลกระทบต่อการทำงานโดยรวมของอุปกรณ์และปรับปรุงประสิทธิภาพการผลิต


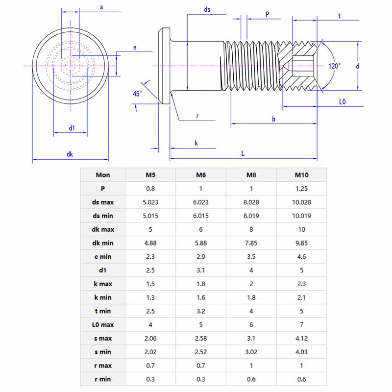
        พารามิเตอร์ผลิตภัณฑ์

        Flat head bolts

        จุดขายสินค้า

        พื้นผิวของสลักเกลียวหัวแบนแบนและคงที่อย่างแน่นหนา หลังจากการติดตั้งมันจะล้างออกด้วยพื้นผิววัสดุซึ่งทั้งคู่สวยงามและไม่รบกวนรายการอื่น ๆ หลังจากรัดกุมมันไม่ง่ายที่จะคลายแม้ภายใต้การสั่นสะเทือนและแรง เช่นการตรึงพื้นผิวเฟอร์นิเจอร์และปลอกอุปกรณ์อิเล็กทรอนิกส์พวกเขาสามารถตอบสนองความต้องการ

        แท็กยอดนิยม: สลักเกลียวหัวแบน, จีน, ผู้ผลิต, ซัพพลายเออร์, โรงงาน
        หมวดหมู่ที่เกี่ยวข้อง
        ส่งคำถาม
        โปรดส่งคำถามของคุณในแบบฟอร์มด้านล่าง เราจะตอบกลับคุณภายใน 24 ชั่วโมง
        X
        เราใช้คุกกี้เพื่อมอบประสบการณ์การท่องเว็บที่ดีขึ้น วิเคราะห์การเข้าชมไซต์ และปรับแต่งเนื้อหาในแบบของคุณ การใช้ไซต์นี้แสดงว่าคุณยอมรับการใช้คุกกี้ของเรา นโยบายความเป็นส่วนตัว
        ปฏิเสธ ยอมรับ