บ้าน > สินค้า > ถั่ว > สกรูมือน๊อต > ถั่วขึ้นลายหัวสูง
        ถั่วขึ้นลายหัวสูง
        • ถั่วขึ้นลายหัวสูงถั่วขึ้นลายหัวสูง
        • ถั่วขึ้นลายหัวสูงถั่วขึ้นลายหัวสูง

        ถั่วขึ้นลายหัวสูง

        บูรณาการอนาคตของการควบคุมการเคลื่อนไหว น็อตขึ้นลายหัวสูงใหม่ล่าสุดของ XIAO GUO มีระบบหมุนเวียนลูกบอลที่ปรับให้เหมาะสมเพื่อการทำงานที่เงียบกว่าและความเร็วที่สูงขึ้น มันคือตัวเลือกน็อตหัวสูงแฟนซีสำหรับเครื่องจักรยุคหน้า

        ส่งคำถาม

        รายละเอียดสินค้า

        ค่าจัดส่งสำหรับน็อตขึ้นลายหัวสูงแตกต่างกันไปขึ้นอยู่กับขนาดการสั่งซื้อและที่อยู่ในการจัดส่ง คำสั่งซื้อขนาดเล็กมักจะมีค่าจัดส่งที่สูงกว่า สำหรับคำสั่งซื้อขนาดเล็ก เช่น ชุดตัวอย่างหรือน้อยกว่า 5,000 ชิ้น เราจะใช้บริการจัดส่ง เช่น DHL หรือ FedEx โดยทั่วไปค่าใช้จ่ายจะอยู่ระหว่าง $25 ถึง $90 และการจัดส่งจะใช้เวลา 3-7 วัน ไปรษณีย์ถูกกว่าแต่ช้ากว่า ใช้เวลาประมาณ 10-18 วัน

        สั่งซื้อจำนวนมากมากกว่า 10,000 ชิ้นจะดีกว่าหากขนส่งทางทะเลหรือทางอากาศ การขนส่งทางทะเลมีความคุ้มค่ามากกว่า โดยมีราคา 350-900 เหรียญสหรัฐฯ ต่อลูกบาศก์เมตร แต่ใช้เวลา 20-35 วัน การขนส่งทางอากาศจะเร็วกว่า (5-10 วัน) แต่มีราคาแพงกว่า ประมาณ 6-9 เหรียญสหรัฐฯ ต่อกิโลกรัม เราจะบรรจุหีบห่ออย่างเหมาะสมเพื่อหลีกเลี่ยงความเสียหายระหว่างการขนส่ง

        เพียงบอกปริมาณการสั่งซื้อและปลายทางของคุณ แล้วเราจะเสนอราคาที่แน่นอนให้คุณได้ ไม่มีค่าธรรมเนียมแอบแฝง คุณจ่ายเพียงค่าจัดส่งตามจริงเท่านั้น ตัวเลือกการจัดส่งของน็อตหัวนูนหัวสูงใช้ได้กับทั้งตัวอย่างขนาดเล็กและการซื้อจำนวนมาก โดยเหมาะสมกับงบประมาณและเวลาที่ต้องการ

        ลักษณะที่ปรากฏของผลิตภัณฑ์

        โดยรวมแล้วมีรูปทรงทรงกระบอกเรียบง่าย ไม่มีการออกแบบเพิ่มเติมใดๆ พื้นผิวด้านนอกเรียบซึ่งช่วยให้พอดีกับรูที่เจาะไว้ล่วงหน้าได้ง่ายระหว่างการติดตั้ง มีหน้าแปลนเล็กๆ อยู่รอบปลายด้านหนึ่ง เพื่อป้องกันไม่ให้ลื่นไถลผ่านแผ่นโลหะเมื่อกดเข้าไป

        ส่วนด้านในมีเกลียวที่เข้ากันกับขนาดโบลท์ทั่วไป เกลียวไม่คมจนเกินไป พอดีตัวกับสลักเกลียว ปลายอีกด้านเป็นแบบเรียบ ดังนั้นจึงวางชิดกับแผ่นโลหะหลังการติดตั้ง โดยไม่มีชิ้นส่วนใดยื่นออกมา

        มีขนาดเล็ก ตรงกับความต้องการของโลหะแผ่นบาง พื้นผิวเป็นเพียงการเคลือบขั้นพื้นฐาน เช่น การชุบสังกะสีหรือการทู่ โดยไม่มีสีหรือการตกแต่งเพิ่มเติม รูปทรงของน็อตหัวนูนสูงนั้นเน้นการใช้งานจริง ทำให้ติดตั้งและใช้งานได้ง่ายสำหรับงานประกอบโลหะแผ่น

        High Head Knurled Nuts

        ช่วงถามตอบ

        ถาม: คุณสามารถปรับแต่งด้วยขนาดที่ไม่ได้มาตรฐานได้หรือไม่?

        ตอบ: ได้ เรายอมรับคำสั่งซื้อแบบกำหนดเองสำหรับขนาดเกลียวหรือเส้นผ่านศูนย์กลางภายนอกที่ไม่ได้มาตรฐาน คุณเพียงแค่ต้องส่งข้อกำหนดขนาดโดยละเอียดและปริมาณการสั่งซื้อที่คาดหวังมาให้เรา ระยะเวลาในการผลิตสำหรับคำสั่งซื้อแบบกำหนดเองคือประมาณ 15-20 วัน ซึ่งนานกว่ามาตรฐานเล็กน้อย ไม่มีค่าธรรมเนียมแม่พิมพ์เพิ่มเติมหากปริมาณมากกว่า 50,000 ชิ้น เราจะส่งตัวอย่างให้คุณก่อนเพื่อยืนยันก่อนการผลิตเป็นจำนวนมาก  


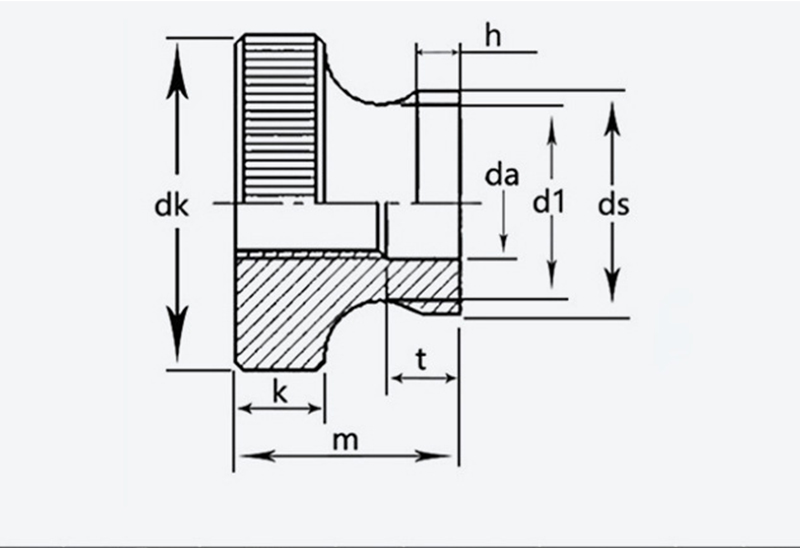
        ขนาด ขว้าง เส้นผ่านศูนย์กลางภายนอก ความสูง k ดีเอส ดา ง1 T h
        สูงสุด นาที สูงสุด นาที สูงสุด นาที สูงสุด นาที สูงสุด
        ม3 0.5  11  10.7  6.64  2.8  5.7  3.5  3.2  5.2  1.2 
        ม4 0.7  12  11.7  7.64  7.64  4.5  4.2  6.4  2.5  1.5 
        ม5 0.8  16  15.7  10  96.6  10  9.64  5.5  5.5 
        ม6 20  19.7  12  11.6  12  11.6  6.56  6.2  11  2.5 
        ม8 1.25  24  23.7  16  15.6  16  15.6  8.86  8.5  13 
        ม10 1.5 30 29.7 20 19.5 8 20 19.5 10.9 10.5 17.2 6.5 3.8
        แท็กยอดนิยม: ถั่ว Knurled หัวสูง จีน ผู้ผลิต ผู้จำหน่าย โรงงาน
        หมวดหมู่ที่เกี่ยวข้อง
        ส่งคำถาม
        โปรดส่งคำถามของคุณในแบบฟอร์มด้านล่าง เราจะตอบกลับคุณภายใน 24 ชั่วโมง
        X
        เราใช้คุกกี้เพื่อมอบประสบการณ์การท่องเว็บที่ดีขึ้น วิเคราะห์การเข้าชมไซต์ และปรับแต่งเนื้อหาในแบบของคุณ การใช้ไซต์นี้แสดงว่าคุณยอมรับการใช้คุกกี้ของเรา นโยบายความเป็นส่วนตัว
        ปฏิเสธ ยอมรับ