สำหรับล็อคคอด้วยสลักยึดคุณสามารถเลือกวัสดุได้ตามความต้องการ เหล็กกล้าคาร์บอน (เช่น SAE 1070/1095) ถูกใช้เมื่อคุณต้องการวัสดุที่แข็งแกร่งสำหรับงานที่ยากลำบาก สแตนเลส (AISI 304/316) ทำงานได้ดีในสถานที่ที่อาจเกิดสนิมหรือสึกกร่อน โลหะผสมไททาเนียมเหมาะสำหรับผลิตภัณฑ์ด้านการบินและอวกาศที่ต้องการความเบาแต่แข็งแรง นอกจากนี้ยังมีผลิตภัณฑ์พิเศษ เช่น Inconel® สำหรับสถานการณ์ที่มีอุณหภูมิสูงจัด ไม่ว่าจะร้อนจัดหรือหนาวจัด
พวกเขาทดสอบวัสดุแต่ละชนิดอย่างระมัดระวังเพื่อให้แน่ใจว่าสามารถทนทานได้ โดยตรวจสอบว่าสามารถยืดได้มากเพียงใดโดยไม่แตกหัก (สูงสุด 1500 MPa) และทนทานต่อการสึกหรอได้มากน้อยเพียงใดเมื่อเวลาผ่านไป วัสดุที่หลากหลายหมายความว่าแหวนยึดนี้สามารถทำงานได้ในสภาพแวดล้อมที่แตกต่างกันมากมาย ตั้งแต่สถานที่เย็นจัดไปจนถึงโรงงานที่มีความร้อนสูง
การดูแลล็อคคอด้วยสลักยึดหมายถึงการตรวจสอบความแน่นของสลักเกลียว การสึกหรอของพื้นผิว หรือสนิมเป็นประจำ ในระหว่างการบำรุงรักษา ให้ขันน็อตให้แน่นตามแรงบิดที่แนะนำของผู้ผลิต (ปกติคือ 20-50 นิวตันเมตร) ใช้น้ำยาทำความสะอาดสูตรอ่อนโยนเพื่อเช็ดเศษสิ่งสกปรกออก และทาจาระบีป้องกันการยึดเกาะบนเกลียวเพื่อให้แยกออกจากกันได้ง่ายขึ้นในภายหลัง หากคุณเห็นรอยแตกหรือแหวนมีรูปร่างผิดปกติ ให้เปลี่ยนออก เก็บวงแหวนไว้ในที่แห้งและมีอุณหภูมิที่ควบคุมได้ เพื่อป้องกันไม่ให้แหวนเสียหายก่อนที่จะติดตั้ง การปฏิบัติตามกิจวัตรนี้จะช่วยให้พวกเขาทำงานได้ดีที่สุดและสามารถใช้งานได้นานขึ้นถึง 30%

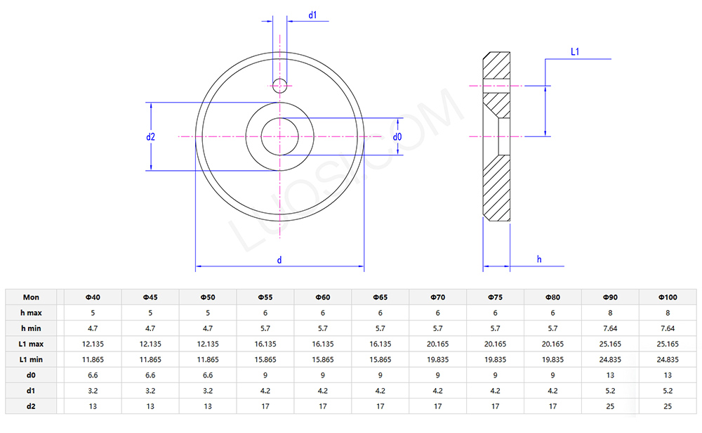
ถาม: ฉันจะกำหนดขนาดที่ถูกต้องของ aล็อคคอด้วยสลักยึดสำหรับเส้นผ่านศูนย์กลางเพลาของฉัน?
ตอบ: การเลือกสิ่งที่ถูกต้องล็อคคอด้วยสลักยึดขึ้นอยู่กับความหนาของเพลา (OD) และประเภทของเกลียว เริ่มต้นด้วยการวัดความหนาของเพลาแล้วเปรียบเทียบกับขนาดไกด์ของผู้ผลิต สิ่งสำคัญที่ควรทราบ: ขนาดด้านในของปลอกสวมต้องตรงกับเกลียวของเพลา ขนาดของสลักเกลียว และขนาดของปลอกสวมที่หนาแค่ไหน หากเพลาของคุณไม่มีเกลียว คุณจะต้องเพิ่มเกลียวก่อน ตรวจสอบอีกครั้งเสมอว่าเธรดเป็นแบบเมตริกหรืออิมพีเรียล การปะปนกันทำให้เกิดอาการปวดหัว สำหรับเพลาขนาดคี่ ปลอกสวมแบบกำหนดเองจะมีอยู่ แต่จะต้องใช้เวลาและค่าใช้จ่ายเพิ่มเติม
ปลอกล็อคแบบยึดด้วยสลักเกลียวของเราส่วนใหญ่ทำจากเหล็กกล้าคาร์บอน เราเลือกวัสดุนี้เนื่องจากมีความเหนียวและทนต่อการสึกหรอได้ดี ซึ่งสามารถตอบสนองความต้องการการใช้งานขั้นพื้นฐานของผลิตภัณฑ์ได้
ก่อนที่ผลิตภัณฑ์จะออกจากโรงงาน เราจะเคลือบพื้นผิวด้วยชั้นป้องกันสนิม การรักษานี้จะช่วยป้องกันไม่ให้เกิดสนิมเมื่อใช้ในสภาพแวดล้อมที่มีความชื้นหรือเก็บไว้เป็นเวลานาน
เรายังมีวัสดุเสริม เช่น สแตนเลส สำหรับลูกค้าที่ต้องการความต้านทานการกัดกร่อนที่ดีกว่า ความหนาของวัสดุของผลิตภัณฑ์ได้รับการออกแบบตามข้อกำหนดการรับน้ำหนักมาตรฐาน จึงไม่เสียรูปหรือแตกหักระหว่างการใช้งานปกติ
ส่วนสลักเกลียวทำจากวัสดุชนิดเดียวกับปลอกสวม ดังนั้นผลิตภัณฑ์ทั้งหมดจึงมีประสิทธิภาพและความมั่นคงสม่ำเสมอ
ค่าจัดส่งสำหรับปลอกล็อคแบบยึดด้วยสลักเกลียวของเราขึ้นอยู่กับสถานที่ที่คุณส่งไป วิธีจัดส่งที่คุณเลือก และจำนวนที่คุณสั่งซื้อ
หากคุณเลือกใช้บริการโลจิสติกส์แบบมาตรฐาน ค่าใช้จ่ายจะถูกกว่า แต่การจัดส่งใช้เวลานานกว่าปกติเล็กน้อย โดยปกติแล้วจะใช้เวลาประมาณ 3 ถึง 7 วันทำการ สำหรับการสั่งซื้อเร่งด่วน คุณสามารถเลือกจัดส่งด่วนได้ แต่จะมีค่าใช้จ่ายสูงกว่า ค่าใช้จ่ายเพิ่มเติมที่แน่นอนขึ้นอยู่กับว่าการขนส่งต้องไปไกลแค่ไหน
เมื่อคำสั่งซื้อของคุณถึงปริมาณที่กำหนด เราจะรับผิดชอบค่าจัดส่งให้กับคุณ ผลิตภัณฑ์แต่ละชิ้นมีขนาดเล็กและเบา ดังนั้นแม้แต่คำสั่งซื้อจำนวนน้อยก็ไม่มีค่าจัดส่งที่สูงมากนัก
ก่อนที่เราจะจัดส่งสิ่งใดออกไป เราจะบรรจุปกเสื้อให้เหมาะสมเพื่อป้องกันความเสียหายระหว่างการขนส่ง และค่าบรรจุภัณฑ์นี้รวมอยู่ในค่าธรรมเนียมการจัดส่งแล้ว คุณไม่ต้องเสียค่าใช้จ่ายเพิ่มเติม
หากคุณต้องการทราบค่าจัดส่งที่แน่นอน เพียงสอบถามทีมบริการลูกค้าของเรา พวกเขาจะคำนวณตามรายละเอียดคำสั่งซื้อเฉพาะของคุณ
ถาม: MOQ และระยะเวลารอคอยสำหรับ Locking Collar with Bolt Fixation คืออะไร และคุณเสนอส่วนลดในการสั่งซื้อจำนวนมากหรือไม่
ตอบ: ปริมาณการสั่งซื้อขั้นต่ำ (MOQ) สำหรับปลอกล็อคแบบมาตรฐานพร้อมสลักยึดคือ 300 ชิ้น โดยมีระยะเวลาดำเนินการ 7-10 วันทำการสำหรับการสั่งซื้อปกติ สำหรับการสั่งซื้อจำนวนมากมากกว่า 5,000 ชิ้น เราเสนอส่วนลดตามลำดับชั้น (ส่วนลด 3%–10%) เพื่อลดต้นทุนการจัดซื้อของคุณ ปลอกล็อคแบบสั่งทำพิเศษพร้อมระบบยึดสลักมีปริมาณขั้นต่ำ 500 ชิ้น และมีระยะเวลารอคอยสินค้า 12-18 วันทำการ รวมถึงการตรวจสอบตัวอย่างและกำหนดการผลิต