บ้าน > สินค้า > เชือกลวดเหล็ก > แองเคอเรจ กริปเปอร์ > มือจับยึดพุกเหล็กเสริมแรง
        มือจับยึดพุกเหล็กเสริมแรง
        • มือจับยึดพุกเหล็กเสริมแรงมือจับยึดพุกเหล็กเสริมแรง
        • มือจับยึดพุกเหล็กเสริมแรงมือจับยึดพุกเหล็กเสริมแรง

        มือจับยึดพุกเหล็กเสริมแรง

        โรงงานกริปเปอร์แองเคอเรจเหล็กเน้นความเครียดของจีน Xiaoguo® จัดหาผลิตภัณฑ์คุณภาพใหม่ล่าสุดพร้อมการรับประกัน 3 ปี มีโครงสร้างลิ่มแบบล็อคตัวเองเพื่อการยึดสายเคเบิลที่มั่นคง มีกริปเปอร์ยึดสมอเหล็กเน้นย้ำขายส่งพร้อมจำหน่ายในสต็อก รองรับการสั่งซื้อจำนวนมากในราคาต่ำและมีส่วนลดมากมายสำหรับผู้ซื้อทุกราย

        ส่งคำถาม

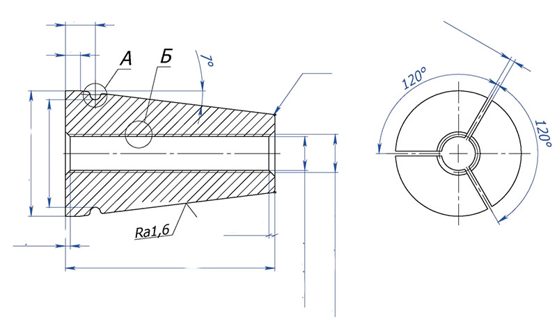
        รายละเอียดสินค้า

        การใช้มือจับยึด Anchorage แบบเหล็กอัดแรงล่วงหน้าโดย Xiaoguo® นั้นง่ายมาก และไม่จำเป็นต้องได้รับการฝึกอบรมจากมืออาชีพ ขั้นแรก วางเชือกในช่องจับยึดของเครื่องมือ โดยต้องแน่ใจว่าเชือกอยู่ในแนวราบและไม่มีการบิดเบี้ยว จากนั้นขันโบลต์ยึดให้แน่นแล้วกดเชือกให้แน่นจนไม่หย่อนอย่างเห็นได้ชัด หลังจากยึดแล้ว ให้ค่อยๆ ดึงเชือกเพื่อตรวจสอบว่ายึดเข้าที่แน่นหนาแล้วหรือไม่ เมื่อถึงเวลาถอดประกอบ ให้คลายน็อตออกก่อน แล้วจึงค่อย ๆ ดึงเชือกออก กรุณาอย่าใช้เกินความจุในการโหลดที่ทำเครื่องหมายไว้บนเครื่องมือเมื่อใช้งาน และอย่าใช้ในอุณหภูมิที่สูงเกินไป (ไม่แนะนำที่สูงกว่า 60°C หรือต่ำกว่า -20°C) ห้ามดัดแปลงโครงสร้างของเครื่องมือด้วยตัวเอง มิฉะนั้น อาจส่งผลต่อความปลอดภัยในการใช้งานได้ ผลิตภัณฑ์แต่ละชิ้นของบริษัท Xiaoguo มาพร้อมกับคู่มือการใช้งานง่ายๆ ซึ่งมีคำแนะนำการใช้งานทีละขั้นตอนที่ชัดเจน หากคุณมีคำถามใดๆ เมื่อใช้เครื่องมือ ทีมงานหลังการขายของเราสามารถให้ความช่วยเหลือและแนะนำคุณได้


        Pre Stressed Steel Anchorage Gripper

        การรักษาพื้นผิวผลิตภัณฑ์

        พื้นผิวของกริปเปอร์พุกเหล็กอัดแรงก่อนนี้ได้รับการชุบด้วยไฟฟ้า เพื่อป้องกันสนิมและการกัดกร่อนเป็นหลัก ชั้นการชุบด้วยไฟฟ้ามีความบางและสม่ำเสมอ โดยไม่มีความแตกต่างของสีที่ชัดเจนบนพื้นผิว ไม่มีการเคลือบตกแต่งเพิ่มเติม มันยังคงรักษารูปลักษณ์โลหะดั้งเดิมไว้เท่านั้น พื้นผิวเรียบไม่มีเสี้ยนจึงไม่ทำให้เชือกเป็นรอยเมื่อใช้งาน กระบวนการชุบด้วยไฟฟ้าเป็นไปตามมาตรฐานการปกป้องสิ่งแวดล้อม และไม่มีสารอันตรายตกค้างบนผลิตภัณฑ์ หากเก็บไว้ภายใต้สภาวะปกติ ชั้นเคลือบด้วยไฟฟ้าสามารถคงสภาพเดิมได้เป็นเวลา 2 ถึง 3 ปีโดยไม่ต้องลอกออก หากมีรอยขีดข่วนบนพื้นผิวก็สามารถซ่อมแซมได้ง่ายด้วยสีป้องกันสนิมธรรมดา เสี่ยวกั๋วใช้อุปกรณ์ชุบโลหะอัตโนมัติเพื่อดำเนินการตามกระบวนการนี้ ดังนั้นการรักษาพื้นผิวของผลิตภัณฑ์แต่ละชิ้นจึงมีความสม่ำเสมอ การรักษาพื้นผิวนี้ไม่มีผลกระทบต่อความแข็งแรงของโครงสร้างหรือประสิทธิภาพของเครื่องมือ

        ช่วงถามตอบ

        ถาม: กริปเปอร์ยึดพุกเหล็กรับแรงอัดแรงล่วงหน้ามีระยะเวลารับประกันนานเท่าใด และครอบคลุมอะไรบ้าง

        สินค้ามีการรับประกัน 1 ปี ครอบคลุมการชำรุดที่เกิดจากการผลิตหรือปัญหาด้านวัสดุ หากสินค้ามีปัญหาด้านคุณภาพภายในระยะเวลารับประกัน เราจะเปลี่ยนให้ฟรีหรือคืนเงินตามนั้น การรับประกันไม่ครอบคลุมถึงความเสียหายจากการใช้งานที่ไม่เหมาะสมหรือการบรรทุกเกินพิกัด เรามีนโยบายการรับประกันที่ชัดเจนในสัญญาการสั่งซื้อ ทีมงานหลังการขายของเราจะตอบกลับภายใน 24 ชั่วโมงเพื่อจัดการปัญหาที่เกี่ยวข้องกับผลิตภัณฑ์

        Pre Stressed Steel Anchorage Gripper


        แท็กยอดนิยม: กริปเปอร์ Anchorage เหล็กเครียดก่อน จีน ผู้ผลิต ผู้จำหน่าย โรงงาน
        หมวดหมู่ที่เกี่ยวข้อง
        ส่งคำถาม
        โปรดส่งคำถามของคุณในแบบฟอร์มด้านล่าง เราจะตอบกลับคุณภายใน 24 ชั่วโมง
        X
        เราใช้คุกกี้เพื่อมอบประสบการณ์การท่องเว็บที่ดีขึ้น วิเคราะห์การเข้าชมไซต์ และปรับแต่งเนื้อหาในแบบของคุณ การใช้ไซต์นี้แสดงว่าคุณยอมรับการใช้คุกกี้ของเรา นโยบายความเป็นส่วนตัว
        ปฏิเสธ ยอมรับ