บ้าน > สินค้า > สายฟ้า > t-bolt > ก้านก้านลดลงด้วยรู
        ก้านก้านลดลงด้วยรู
        • ก้านก้านลดลงด้วยรูก้านก้านลดลงด้วยรู
        • ก้านก้านลดลงด้วยรูก้านก้านลดลงด้วยรู
        • ก้านก้านลดลงด้วยรูก้านก้านลดลงด้วยรู

        ก้านก้านลดลงด้วยรู

        ก้านก้านที่ลดลงด้วยรูนั้นเบากว่าและใช้งานได้ง่ายขึ้น พวกเขาให้ความยืดหยุ่นสำหรับการเชื่อมต่อสายไฟโซ่หรือส่วนประกอบอื่น ๆ สลักเกลียวของโรงงานXiaoguo®เป็นไปตามมาตรฐานการดำเนินการของระบบประสาทส่วนกลาง 4566-1981 ผลิตภัณฑ์ของเราได้รับการทดสอบสเปรย์เกลือและสามารถตอบสนองความต้องการของคุณได้
        แบบอย่าง:CNS 4566-1981

        ส่งคำถาม

        รายละเอียดสินค้า

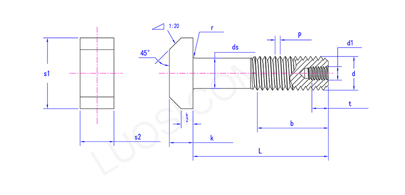
        หัวของก้านก้านที่ลดลงด้วยรูคล้ายกับรูปสี่เหลี่ยมขนมเปียกปูนและสามารถติดอยู่ใน T-slot ที่จะได้รับการแก้ไขและไม่หมุน ส่วนตรงกลางของสกรูของมันกลายเป็นทินเนอร์นั่นคือ "ก้านหด" และรูก็ถูกเจาะที่ด้านล่างของสกรู การตกแต่งภายในเป็นกลวง

        คุณสมบัติ:

        ก้าน T-Bolt ที่ลดลงถูกติดตั้งบนตัวติดตามโรงไฟฟ้าพลังงานแสงอาทิตย์ หากคุณต้องการปรับอาร์เรย์แผงโซลาร์เซลล์ทุกวันคุณสามารถใช้งานได้เพราะพวกเขาสามารถทนต่อสภาพอากาศทุกประเภทได้ ร่างกายเสาเรียวสามารถต้านทานแรงเฉือนลมได้ หลุมถูกล็อคเป็นมุมโดยหมุด cotter ในพายุทรายทะเลทรายสามารถป้องกันไม่ให้สลักเกลียวคลาย

        T-Bolt ที่มีรูลดลงมีการติดตั้งในอุปกรณ์ลำโพงคอนเสิร์ต คอนเสิร์ตมักจะต้องมีการแขวนของซับวูฟเฟอร์หนักและการใช้พวกเขาสามารถเพิ่มความปลอดภัย ที่จับโบลต์ที่มีน้ำหนักเบาทำให้การยกง่ายขึ้น รูสลักสามารถเชื่อมต่อกับเชือกความปลอดภัยของเหล็ก ลำโพงสามารถจับคู่ได้ 60 ฟุต (ประมาณ 18 เมตร) เหนือฝูงชน

        ก้าน T-bolts ที่ลดลงถูกนำมาใช้ในระบบกันสะเทือนของรถแข่งสูตรหนึ่ง รถแข่งมักจะต้องเปลี่ยนแขนส้อมกลางการแข่งขัน ที่จับสลักเกลียวสามารถลดน้ำหนักได้ ลวดหลุมสามารถติดตั้งพินปล่อยเร็ว ตามกฎของเว็บไซต์ปิดพนักงานสามารถแทนที่ชิ้นส่วนภายใน 5 วินาที

        สลักเกลียวที่ลดลงด้วยการออกแบบรูเป็นคุณสมบัติที่โดดเด่นที่สุด เมื่อผลิตอุปกรณ์กลไกขนาดเล็กบางส่วนพื้นที่ภายในของอุปกรณ์ขนาดเล็กนั้นมีขนาดกะทัดรัดและสลักเกลียวธรรมดานั้นหนาเกินไปที่จะพอดีอย่างไรก็ตามชิ้นส่วนแท่งหดสามารถผ่านรูติดตั้งแคบ ๆ ได้อย่างง่ายดายโดยไม่ส่งผลกระทบต่อความแข็งแรงในการเชื่อมต่อทำให้ส่วนประกอบต่างๆของอุปกรณ์ประกอบเข้าด้วยกัน

        พารามิเตอร์:

        จอน M42 M48 M56 M64 M72 M80 M90 M100
        P 4.5 5 5.5 6 6 6 6 6
        D1 M12 M12 M16 M16 M16 M20 M20 M20
        t 22 22 26 26 26 33 33 33
        k 26 30 35 40 45 50 55 62
        S2 42 48 56 64 72 80 90 100
        S1 80 88 102 115 128 140 155 170
        r 2 2 3 3 4 4 4 5
        ds max 34 38 45 50 55 65 70 80
        ds min 33 37 44 49 53.8 63.8 66.8 78.8




        แท็กยอดนิยม: ลดลงก้าน T ด้วยหลุม, จีน, ผู้ผลิต, ซัพพลายเออร์, โรงงาน
        หมวดหมู่ที่เกี่ยวข้อง
        ส่งคำถาม
        โปรดส่งคำถามของคุณในแบบฟอร์มด้านล่าง เราจะตอบกลับคุณภายใน 24 ชั่วโมง
        X
        เราใช้คุกกี้เพื่อมอบประสบการณ์การท่องเว็บที่ดีขึ้น วิเคราะห์การเข้าชมไซต์ และปรับแต่งเนื้อหาในแบบของคุณ การใช้ไซต์นี้แสดงว่าคุณยอมรับการใช้คุกกี้ของเรา นโยบายความเป็นส่วนตัว
        ปฏิเสธ ยอมรับ