บ้าน > สินค้า > สายฟ้า > t-bolt > สกรูยึดหัว
        สกรูยึดหัว
        • สกรูยึดหัวสกรูยึดหัว
        • สกรูยึดหัวสกรูยึดหัว
        • สกรูยึดหัวสกรูยึดหัว

        สกรูยึดหัว

        คุณสามารถตรวจสอบสกรูยึดหัว T Head ที่ผลิตโดย บริษัท Xiaoguo®ได้ตลอดเวลา หัวรูปตัว T ทำให้ง่ายต่อการติดตั้งลงในร่องยึด เราสามารถเสนอให้คุณเลือกได้หลากหลายขนาด จะมีสกรูที่เหมาะกับคุณเสมอ
        แบบอย่าง:CNS 4947-1979

        ส่งคำถาม

        รายละเอียดสินค้า

        T head anchor screws เป็นตัวยึดที่ใช้สำหรับการยึดจุดยึดหัวรูปตัว T ทำให้ง่ายต่อการติดตั้งลงในร่องยึดXiaoguo®สามารถให้คุณเลือกได้หลากหลายขนาด จะมีสกรูที่เหมาะกับคุณเสมอ

        หัวของสกรูยึดหัว T อยู่ในรูปของ T ซึ่งสะดวกที่จะยึดในร่องรูปตัว T ที่สอดคล้องกันเพื่อป้องกันไม่ให้หมุนไปตามเมื่อแน่น หางของสกรูได้รับการออกแบบมาเป็นพิเศษให้แก้ไขอย่างแน่นหนาในฐานเช่นจุดยึด

        การติดตั้งและแอปพลิเคชัน:

        สกรูสมอเหล่านี้สามารถใช้เพื่อแก้ไขแทร็คของประตูยกระดับ พวกเขาติดตั้งเร็วกว่าสลักเกลียว เลื่อนเข้าไปในร่องเหล็กยกระดับโดยไม่มีเครื่องมือแก้ไขใด ๆ เมื่อติดตั้งคลังสินค้าสามารถรัดเข็มขัดด้วยมือเดียวและสมดุลด้วยความช่วยเหลือของบันได พวกเขาใช้เพื่อแก้ไขแทร็กหนัก

        T head anchor screws สามารถใช้เป็นท่อรองรับ HVAC การแขวนท่อบนคอนกรีตสามารถประหยัดได้หลายชั่วโมง ใส่เข้าไปใน unistrut แล้วแตะลงในเพดานด้วยไขควงแรงกระแทก ไม่จำเป็นต้องมีรูมัคคุเทศก์ คนงานหนึ่งคนสามารถทำการติดตั้งจุดยึดรูปลิ่มสองอันให้เสร็จสมบูรณ์

        สกรูเหล่านี้ใช้เพื่อแก้ไขเฟรมของสายพานลำเลียงเหมือง พวกเขาใช้สำหรับการตรึงสลักเกลียวของเฟรมที่แข็งแรงใต้ดินและสามารถต้านทานฝุ่นได้ ตอกหัวรูปตัว T เข้าไปในช่องโค้ง เธรดสามารถจับเหล็กที่สึกกร่อน พนักงานเปลี่ยนส่วนประกอบเป็นกะทุก ๆ 15 นาที

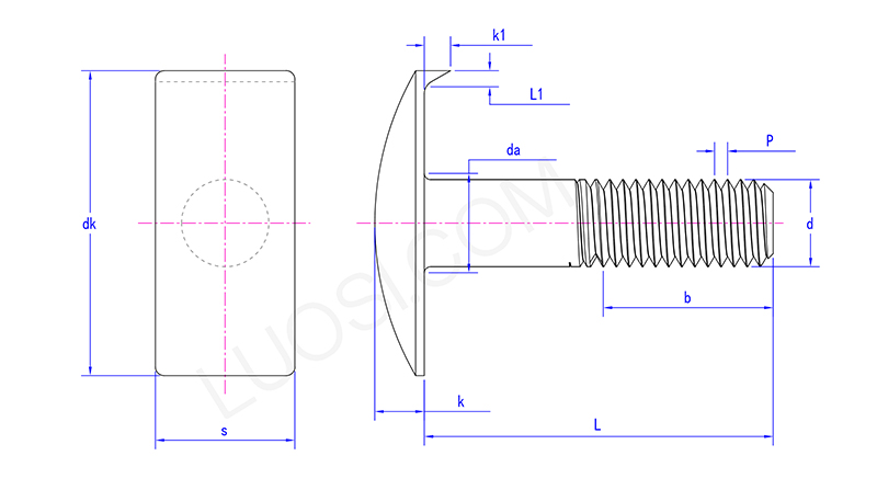
        พารามิเตอร์:

        จอน M12
        P 1.75
        k 7
        K1 5
        L1 3
        ใช่สูงสุด 15.2
        DK 55
        s 20

        จุดขายสินค้า:

        สกรูยึดหัว T มีความเสถียรโดยเฉพาะอย่างยิ่งในการตรึงและติดตั้งได้สะดวก มันมีคุณสมบัติที่สำคัญสองประการคือหัวรูปตัว T และฟังก์ชั่นการยึด เมื่อติดตั้งจะสามารถแทรกลงใน T-slot ได้โดยตรงโดยไม่จำเป็นต้องปรับตำแหน่งซ้ำ โครงสร้างการยึดเกาะทำให้แน่นและแน่นขึ้นในฐานและป้องกันไม่ให้คลาย และไม่จำเป็นต้องใช้เครื่องมือระดับมืออาชีพที่ซับซ้อน นอกจากนี้ยังมีแอพพลิเคชั่นที่หลากหลายและสามารถใช้ในหลายอุตสาหกรรมและสถานการณ์



        แท็กยอดนิยม: T หัวหน้าสกรูยึด, จีน, ผู้ผลิต, ซัพพลายเออร์, โรงงาน
        หมวดหมู่ที่เกี่ยวข้อง
        ส่งคำถาม
        โปรดส่งคำถามของคุณในแบบฟอร์มด้านล่าง เราจะตอบกลับคุณภายใน 24 ชั่วโมง
        X
        เราใช้คุกกี้เพื่อมอบประสบการณ์การท่องเว็บที่ดีขึ้น วิเคราะห์การเข้าชมไซต์ และปรับแต่งเนื้อหาในแบบของคุณ การใช้ไซต์นี้แสดงว่าคุณยอมรับการใช้คุกกี้ของเรา นโยบายความเป็นส่วนตัว
        ปฏิเสธ ยอมรับ