สกรูตามีก้านเกลียวและหัวแหวน เกลียวจะถูกตัดอย่างแม่นยำเพื่อให้แน่นด้วยน็อตหรือรูเกลียว หัวแหวนถูกสร้างขึ้นเพื่อรองรับการดึงอย่างหนักทำให้เชื่อถือได้สำหรับการยกหรือรักษาความปลอดภัย
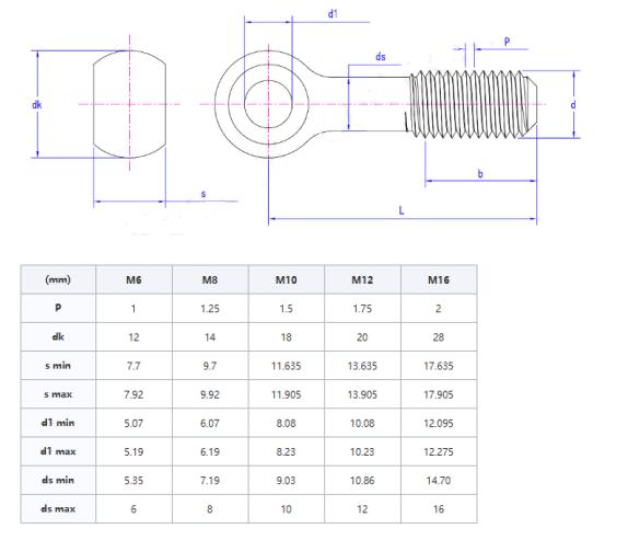
รายละเอียดผลิตภัณฑ์และพารามิเตอร์
สกรูทุกตัวจะทำผ่านสามขั้นตอนหลัก: การสร้างโลหะอุ่น (การตี), การตัดเกลียวสกรูที่แม่นยำและการเคลือบ/การบำบัดขั้นสุดท้าย ขั้นตอนเหล่านี้ทำให้แน่ใจว่าพวกเขาตรงกับกฎ QC 190 - 2012 สำหรับการวัดความต้องการความแข็งแรงและคุณภาพพื้นผิว ไม่มีความพิเศษแฟนซี - เพียงแค่กระบวนการที่ตรงไปตรงมาตรวจสอบกับความต้องการที่ยาก มาตรฐานครอบคลุมว่าพวกเขามีขนาดใหญ่แค่ไหนน้ำหนักเท่าไหร่ที่พวกเขาต้องถือโดยไม่หยุดพักและทำให้แน่ใจว่าไม่มีสนิมหรือจุดที่ขรุขระ โดยพื้นฐานแล้วหากมีการออกจากตาออกจากโรงงานสกรูของสายเลือดได้รับการทุบ, ตัดเฉือนเสร็จแล้วและทดสอบให้ทำงานตามที่ตั้งใจไว้

สกรูตาที่ใช้ในโรงงานรถยนต์เพื่อยกเครื่องยนต์และกระปุกเกียร์ในระหว่างการประกอบ ในสถานที่ก่อสร้างพวกเขาช่วยยกของหนักเช่นคานเหล็กหรือแผ่นคอนกรีต การออกแบบที่เรียบง่ายยากพอสำหรับการยกหนักทุกวัน
การกระจายตลาด
| ตลาด | รายได้ (ปีก่อน) | รายได้รวม (%) |
| อเมริกาเหนือ | เป็นความลับ | 23 |
| อเมริกาใต้ | เป็นความลับ | 6 |
| ยุโรปตะวันออก | เป็นความลับ | 15 |
| เอเชียตะวันออกเฉียงใต้ | เป็นความลับ | 3 |
| มหาสมุทร | เป็นความลับ | 3 |
| ตะวันออกกลาง | เป็นความลับ | 2 |
| เอเชียตะวันออก | เป็นความลับ | 18 |
| ยุโรปตะวันตก | เป็นความลับ | 12 |
| อเมริกากลาง | เป็นความลับ | 5 |
| เอเชียใต้ | เป็นความลับ | 6 |
ตลาดในประเทศ | เป็นความลับ | 7 |
การใช้ผลิตภัณฑ์
จุดประสงค์หลักของสกรูตาคือการยกการยกที่ปลอดภัยและการเชื่อมต่อที่มั่นคงของวัตถุหนัก ในการผลิตอุตสาหกรรมมันถูกใช้เพื่อยกชิ้นส่วนกลไกขนาดใหญ่ไปยังสถานที่ที่กำหนดสำหรับการประกอบหรือการบำรุงรักษา ในสถานที่ก่อสร้างจะใช้เพื่อยกวัสดุก่อสร้างต่าง ๆ ไปยังพื้นก่อสร้างได้อย่างแม่นยำ ในชีวิตประจำวันมันยังสามารถใช้ในการยกสิ่งของหนักเช่นเฟอร์นิเจอร์และอุปกรณ์ ด้วยการร่วมมือกับอุปกรณ์ยกเช่นปั้นจั่นสกรูตากลายเป็นขั้วต่อคีย์เพื่อให้ได้การกระจัดของวัตถุหนัก