เกรดอายโบลท์แบบไหล่สำหรับตัวยึดถูกกำหนดโดยมาตรฐานความแข็งแรงและวัสดุ ซึ่งมีความสำคัญอย่างยิ่งต่อการยกอย่างปลอดภัย เกรดทั่วไป ได้แก่ 4.8, 8.8, 10.9 และ 12.9 สำหรับเหล็กกล้าคาร์บอนรุ่นต่างๆ ตัวเลขที่สูงกว่าหมายถึงความต้านทานแรงดึงที่มากขึ้น เกรด 4.8 เหมาะกับงานเบา เช่น งาน DIY ที่บ้าน ในขณะที่เกรด 8.8 เหมาะกับงานอุตสาหกรรมทั่วไป เกรด 10.9 และ 12.9 ที่มีความแข็งแรงสูง รองรับการบรรทุกหนักในการก่อสร้างหรือเครื่องจักร
รุ่นสแตนเลสมักจะเป็นไปตามเกรด A4 (316) หรือ A2 (304) โดยให้ความสำคัญกับความต้านทานการกัดกร่อนสำหรับสภาพแวดล้อมทางทะเล/สารเคมี เกรดเหล็กอัลลอยด์หลอมให้ความทนทานที่เหนือกว่าสำหรับการยกที่รุนแรง แต่ละเกรดจะมีเครื่องหมายพิกัดโหลด เพื่อให้มั่นใจว่าสามารถใช้งานร่วมกับการใช้งานที่ต้องการได้และเป็นไปตามข้อกำหนดด้านความปลอดภัย
การควบคุมคุณภาพสำหรับอายโบลต์แบบไหล่หมายถึงการตรวจสอบอย่างละเอียดเพื่อให้แน่ใจว่าปลอดภัยและทำงานได้อย่างถูกต้อง กระบวนการนี้มักจะเกี่ยวข้องกับการตรวจสอบให้แน่ใจว่าเกรดวัสดุถูกต้อง การตรวจสอบเกลียวเพื่อดูว่าถูกต้องหรือไม่ และดำเนินการทดสอบโหลดเพื่อยืนยันขีดจำกัดโหลดการทำงาน (WLL) นอกจากนี้ยังตรวจสอบด้วยว่าขนาดตรงกับมาตรฐาน เช่น DIN หรือ ISO หรือไม่ อายโบลท์ทุกชุดควรตรวจสอบย้อนกลับได้ และคุณจะได้รับใบรับรองเพื่อพิสูจน์ว่าตรงตามข้อกำหนดในการใช้งานของคุณ

คำถาม: ฉันจะติดตั้งอายโบลต์แบบไหล่อย่างถูกต้องได้อย่างไร สำหรับโบลต์มาตรฐาน ให้ขันสกรูเข้าในรูเกลียวจนตรงจนสุด—ตรวจสอบให้แน่ใจว่าไหล่ตาสัมผัสกับพื้นผิว การดึงในมุมหนึ่งจะช่วยลดภาระการทำงานที่ปลอดภัยลงโดยสิ้นเชิง และนั่นก็เป็นอันตราย

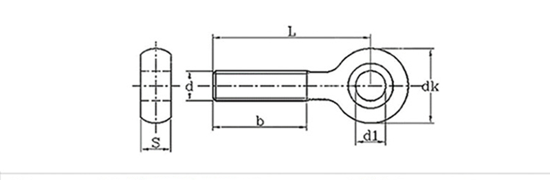
มม
เส้นผ่านศูนย์กลางของเกลียว
ง1
ดีเค
s
ม6
5
10.5
5.4
ม8
6
13
7
ม10
8
16
8.5
ม12
10
19
10.5
ม14
10
22
12