บ้าน > สินค้า > สายฟ้า > สลักเกลียวหัวกลม > สลักเกลียวเชื่อมฉายหน้าประหยัดเวลา
        สลักเกลียวเชื่อมฉายหน้าประหยัดเวลา
        • สลักเกลียวเชื่อมฉายหน้าประหยัดเวลาสลักเกลียวเชื่อมฉายหน้าประหยัดเวลา
        • สลักเกลียวเชื่อมฉายหน้าประหยัดเวลาสลักเกลียวเชื่อมฉายหน้าประหยัดเวลา
        • สลักเกลียวเชื่อมฉายหน้าประหยัดเวลาสลักเกลียวเชื่อมฉายหน้าประหยัดเวลา
        • สลักเกลียวเชื่อมฉายหน้าประหยัดเวลาสลักเกลียวเชื่อมฉายหน้าประหยัดเวลา
        • สลักเกลียวเชื่อมฉายหน้าประหยัดเวลาสลักเกลียวเชื่อมฉายหน้าประหยัดเวลา

        สลักเกลียวเชื่อมฉายหน้าประหยัดเวลา

        เมื่อเปรียบเทียบกับสลักเกลียวมาตรฐาน โบลต์สำหรับการเชื่อมแบบฉายหน้าซึ่งช่วยประหยัดเวลาช่วยให้การเชื่อมเร็วขึ้นอย่างมาก และลดการบิดเบือนความร้อนในชิ้นงานให้เหลือน้อยที่สุด โลจิสติกส์ที่มีประสิทธิภาพ ความร่วมมือที่แข็งแกร่งกับซัพพลายเออร์ และการส่งมอบตรงเวลาที่เชื่อถือได้ ถือเป็นจุดเด่นของบริการ Xiaoguo®
        แบบอย่าง:Q 199B-1999

        ส่งคำถาม

        รายละเอียดสินค้า

        ข้อดีอีกอย่างหนึ่งของสลักเกลียวเชื่อมแบบฉายหน้าซึ่งช่วยประหยัดเวลาก็คือ มันทำงานได้ดีกับสายการประกอบอัตโนมัติที่รวดเร็ว การเชื่อมแต่ละอันใช้เวลาแทบไม่มีเลย โดยปกติจะใช้เวลาเพียงเสี้ยววินาทีเท่านั้น

        ความเร็วที่เหนือชั้นทำให้เหมาะสำหรับการผลิตขนาดใหญ่ โดยเฉพาะในโรงงานรถยนต์ มันมีประสิทธิภาพเหนือกว่าตัวยึดทั่วไป ซึ่งต้องมีการจัดตำแหน่งและขั้นตอนด้วยตนเอง และการเชื่อมที่ช้ากว่าซึ่งต้องอาศัยการอุ่นและการตั้งค่า ในการผลิตรถยนต์ ซึ่งทุกวินาทีมีความสำคัญต่อการประกอบรถยนต์หลายพันคันในแต่ละวัน ความเร็วนี้จะช่วยลดการหยุดทำงาน เพิ่มความเร็วรอบ และเพิ่มผลผลิตโดยไม่สูญเสียคุณภาพ ซึ่งเป็นกุญแจสำคัญในการคุ้มต้นทุน

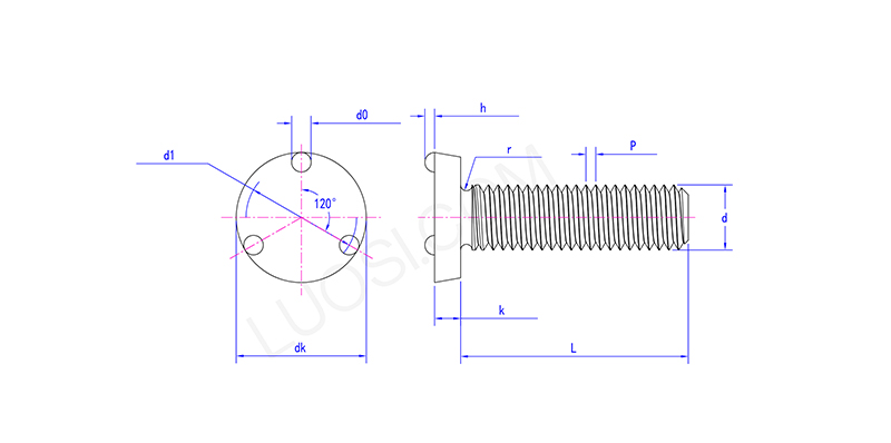
        จันทร์ ม4 ม5 ม6 ม8 ม10 ม12
        P 0.7 0.8 1 1.25 1.5 1.75
        สูงสุด 11.5 12.5 14.5 19 21 24
        ดีเค ขั้นต่ำ 11.23 12.23 14.23 18.67 20.67 23.67
        เคสูงสุด 2 2.5 2.5 3.5 4 5
        กิโลนาที 1.75 2.25 2.25 3.25 3.75 4.75
        นาที 0.2 0.2 0.3 0.3 0.4 0.4
        สูงสุด d1 8.75 9.75 10.75 14.25 16.25 18.75
        d1 นาที 8.5 9.5 10.5 14 16 18.5
        ชั่วโมงสูงสุด 1.25 1.25 1.25 1.45 1.45 1.65
        ชั่วโมง 0.9 0.9 0.9 1.1 1.1 1.1
        สูงสุด d0 2.6 2.6 2.6 3.1 3.1 3.6
        d0 นาที 2.4 2.4 2.4 2.9 2.9 3.4

        รายละเอียดสินค้า


        สลักเกลียวเชื่อมแบบฉายหน้าที่ช่วยประหยัดเวลาทำให้ข้อต่อแข็งแรงและเชื่อถือได้มาก การเชื่อมเชื่อมโลหะในระดับโมเลกุล ซึ่งดีกว่าการใช้ตัวยึดเชิงกล

        เมื่อส่วนยื่นของสลักเกลียวและโลหะฐานหลอมรวมกัน จะเกิดเป็นก้อนเนื้อเชื่อม นักเก็ตนี้สามารถรองรับแรงดึงและการเลื่อนได้มาก—สำคัญสำหรับชิ้นส่วนที่ต้องปลอดภัยและทนทานต่อการเคลื่อนไหวอย่างต่อเนื่องตลอดอายุการใช้งานของผลิตภัณฑ์

        วัสดุ

        โบลต์เชื่อมแบบฉายหน้าซึ่งช่วยประหยัดเวลาส่วนใหญ่ทำจากเหล็กกล้าคาร์บอนต่ำถึงปานกลาง เช่น C1008, C1010, C1018 เชื่อมได้ดีและไม่มีค่าใช้จ่ายมากเกินไปจึงใช้บ่อย

        หากคุณต้องการใช้ในสภาพแวดล้อมที่รุนแรง คุณสามารถลองใช้ผลิตภัณฑ์ของเราได้ สแตนเลสเป็นเรื่องธรรมดามาก เช่น A2 (จริงๆ แล้วคือ AISI 304) หรือ A4 (AISI 316) อย่างไรก็ตาม ไม่ว่าคุณจะเลือกสแตนเลสชนิดใด หากคุณต้องการข้อต่อที่มั่นคงและสม่ำเสมอ คุณต้องใช้วิธี "การเชื่อมแบบฉายภาพ"


        แท็กยอดนิยม: สลักเกลียวเชื่อมแบบฉายหน้าประหยัดเวลา, จีน, ผู้ผลิต, ผู้จัดจำหน่าย, โรงงาน
        หมวดหมู่ที่เกี่ยวข้อง
        ส่งคำถาม
        โปรดส่งคำถามของคุณในแบบฟอร์มด้านล่าง เราจะตอบกลับคุณภายใน 24 ชั่วโมง
        X
        เราใช้คุกกี้เพื่อมอบประสบการณ์การท่องเว็บที่ดีขึ้น วิเคราะห์การเข้าชมไซต์ และปรับแต่งเนื้อหาในแบบของคุณ การใช้ไซต์นี้แสดงว่าคุณยอมรับการใช้คุกกี้ของเรา นโยบายความเป็นส่วนตัว
        ปฏิเสธ ยอมรับ