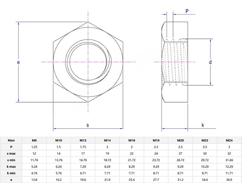
น็อตหกเหลี่ยมบางลบมุมเดี่ยวมุมเอียงด้านเดียวเพื่อให้จัดตำแหน่งสลักเกลียวได้ง่าย ติดตั้งในพื้นที่แคบและการออกแบบลบมุมช่วยลดความเสี่ยงของการพันเกลียว ปริมาตรของมันน้อยกว่าปริมาตรน็อตมาตรฐาน จึงสามารถรักษาส่วนประกอบให้มีขนาดกะทัดรัดได้

ทำไมน็อตหกเหลี่ยมบางลบมุมเดี่ยว? ขอบลบคม - ส่วนที่เอียงรอบช่องเปิดที่ช่วยให้ผู้ปฏิบัติงานบิดได้ง่ายขึ้นถั่ว. แม้ในพื้นที่แคบที่คุณไม่มีพื้นที่ว่างในมือหรือเครื่องมือมากนัก ดอกลบมุมก็จะนำน็อตไปบนโบลต์เร็วขึ้น คุณไม่จำเป็นต้องจัดตำแหน่งให้ตรงกับสลักเกลียวทุกครั้งมากนัก เลื่อนได้ราบรื่นขึ้น ช่วยให้คุณทำงานต่างๆ ได้รวดเร็วยิ่งขึ้น
น็อตหกเหลี่ยมบางลบมุมเดี่ยวแตกต่างจากถั่วทั่วไปเพราะมีความบางและไม่ใช้พื้นที่มากเกินไป แม้ว่าจะไม่มีที่ยึดประแจที่เหมาะสมอยู่ใกล้ๆ คุณก็สามารถขันให้แน่นด้วยมือหรือคีมก็ได้ จึงมักใช้ซ่อมแซมอุปกรณ์ขนาดเล็ก ปรับชิ้นส่วนจักรยาน หรือประกอบเฟอร์นิเจอร์อื่นๆ
น็อตหกเหลี่ยมบางลบมุมเดี่ยวมักติดตั้งในอุปกรณ์อิเล็กทรอนิกส์ (แผงวงจร เซ็นเซอร์) รถยนต์ (แดชบอร์ด) และเครื่องใช้ในครัวเรือน ผู้ชื่นชอบงาน DIY ชอบติดตั้งบนชุดโมเดล เครื่องพิมพ์ 3 มิติ หรืองานซ่อมแซม สามารถใช้ในงานใดๆ ที่ต้องการการยึดที่บางและแม่นยำ

น็อตหกเหลี่ยมบางลบมุมเดี่ยวไม่เหมาะกับการใช้งานกับอุปกรณ์งานหนัก สำหรับอุปกรณ์ทางกล เราขอแนะนำให้คุณใช้น็อตที่หนาขึ้น หากด้ายติดอยู่ ให้ใช้แปรงลวดทำความสะอาดด้านในของด้ายถั่ว. ใช้งานง่ายแต่มีประสิทธิภาพมาก!