บ้าน > สินค้า > ถั่ว > น็อตหกเหลี่ยม > System HR น็อตหกเหลี่ยมขนาดใหญ่
        System HR น็อตหกเหลี่ยมขนาดใหญ่
        • System HR น็อตหกเหลี่ยมขนาดใหญ่System HR น็อตหกเหลี่ยมขนาดใหญ่
        • System HR น็อตหกเหลี่ยมขนาดใหญ่System HR น็อตหกเหลี่ยมขนาดใหญ่
        • System HR น็อตหกเหลี่ยมขนาดใหญ่System HR น็อตหกเหลี่ยมขนาดใหญ่

        System HR น็อตหกเหลี่ยมขนาดใหญ่

        น็อตหกเหลี่ยมขนาดใหญ่ System HR เป็นส่วนหนึ่งของคู่เชื่อมต่อโครงสร้างแบบสลักเกลียวกำลังสูงที่โหลดไว้ล่วงหน้า ซึ่งใช้ร่วมกับโบลท์หัวหกเหลี่ยมขนาดใหญ่ประเภท HR และมักใช้ในโครงสร้างเหล็กในอุตสาหกรรมการก่อสร้าง ผลิตภัณฑ์ของผู้ผลิตมืออาชีพXiaoguo®ได้รับการทดสอบและตรงตามมาตรฐานคุณภาพและมีราคาไม่แพง
        แบบอย่าง:EN 14399-7-2007

        ส่งคำถาม

        รายละเอียดสินค้า

        System HR น็อตหกเหลี่ยมขนาดใหญ่ใช้ร่วมกับสลักเกลียวขนาดใหญ่ และมักใช้ในงานที่ต้องการแรงและความมั่นคงที่มากขึ้น มักใช้ในอุตสาหกรรมก่อสร้าง เช่น ในอาคารโครงสร้างเหล็ก เพื่อยึดคานและเสาเข้าด้วยกัน

        รายละเอียดสินค้าและพารามิเตอร์

        System HR large hexagon nuts

        ต้องสังเกตรายละเอียดบางอย่างเมื่อติดตั้งน็อตหกเหลี่ยมขนาดใหญ่ของระบบ HR ก่อนอื่น ตรวจสอบให้แน่ใจว่าขนาดเกลียวของน็อตตรงกับสลักเกลียวทุกประการ ความไม่ตรงกันอาจทำให้การเชื่อมต่อไม่ปลอดภัย หลังจากหาน็อตที่เหมาะสมแล้ว ให้ใส่น็อตบนสลักเกลียว จากนั้นหยิบประแจขึ้นมา หมุนประแจตามเข็มนาฬิกาเพื่อขันน็อตให้แน่น เนื่องจากน็อตเหล่านี้เหมาะสำหรับงานที่มีความแข็งแรงสูง จึงต้องใช้แรงมากในการขันให้แน่น

        ในอุตสาหกรรมก่อสร้าง มีการใช้น็อตหกเหลี่ยมขนาดใหญ่ในการก่อสร้างอาคารโครงสร้างเหล็ก คนงานใช้น็อตเหล่านี้เพื่อยึดคานและเสาเข้าด้วยกันเพื่อสร้างโครงที่มั่นคงให้กับอาคาร ในการก่อสร้างสะพาน มีความสำคัญอย่างยิ่งในการเชื่อมต่อโครงสร้างสะพานเพื่อให้สามารถรองรับน้ำหนักของยานพาหนะและแรงธรรมชาติได้ นอกจากนี้ยังใช้สร้างโกดังขนาดใหญ่และโรงงานอุตสาหกรรมอีกด้วย

        System HR น็อตหกเหลี่ยมขนาดใหญ่ใช้ในอุปกรณ์เหมืองแร่ กังหันลม หรืออุปกรณ์ก่อสร้างขนาดใหญ่ มักใช้ในสภาพแวดล้อมที่มีความเครียดสูง เช่น โรงถลุงเหล็กหรืออู่ต่อเรือ และรูปทรงหกเหลี่ยมขนาดใหญ่เหมาะสำหรับประแจทางอุตสาหกรรม เกษตรกรใช้มันกับรถแทรกเตอร์ โรงงานต่างๆ อาศัยโรงงานเหล่านี้ในการติดตั้งระบบส่งกำลัง

        System HR large hexagon nuts

        การพิจารณาขนาด

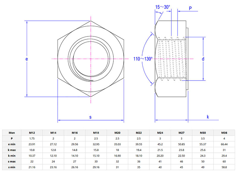
        System HR น็อตหกเหลี่ยมใหญ่sมีให้เลือกหลายขนาด ขนาดที่เล็กกว่า (เช่น ประมาณ M12) สามารถใช้กับโครงสร้างขนาดเล็กที่ยังต้องการการเชื่อมต่อที่มั่นคง เช่น การสร้างโครงโลหะขนาดเล็กสำหรับอุปกรณ์หรืออุปกรณ์อุตสาหกรรมเบาบางประเภท ขนาดที่ใหญ่กว่า (ในบางกรณีอาจสูงถึง M36 หรือใหญ่กว่านั้นก็ได้) เหมาะสำหรับโครงการก่อสร้างขนาดใหญ่ เมื่อสร้างโรงงานอุตสาหกรรมขนาดใหญ่หรืออาคารหลายชั้น น็อตขนาดใหญ่เหล่านี้จะถูกนำมาใช้เพื่อยึดส่วนประกอบโครงสร้างหลัก การวัดขนาดของสลักเกลียวอย่างแม่นยำเป็นสิ่งสำคัญมากก่อนที่จะเลือกน็อต

        แท็กยอดนิยม: System HR น็อตหกเหลี่ยมขนาดใหญ่ จีน ผู้ผลิต ผู้จำหน่าย โรงงาน
        หมวดหมู่ที่เกี่ยวข้อง
        ส่งคำถาม
        โปรดส่งคำถามของคุณในแบบฟอร์มด้านล่าง เราจะตอบกลับคุณภายใน 24 ชั่วโมง
        X
        เราใช้คุกกี้เพื่อมอบประสบการณ์การท่องเว็บที่ดีขึ้น วิเคราะห์การเข้าชมไซต์ และปรับแต่งเนื้อหาในแบบของคุณ การใช้ไซต์นี้แสดงว่าคุณยอมรับการใช้คุกกี้ของเรา นโยบายความเป็นส่วนตัว
        ปฏิเสธ ยอมรับ