บ้าน > สินค้า > ถั่ว > น็อตหกเหลี่ยม > น็อตหกเหลี่ยมลบมุมเดี่ยวประเภท 1
        น็อตหกเหลี่ยมลบมุมเดี่ยวประเภท 1
        • น็อตหกเหลี่ยมลบมุมเดี่ยวประเภท 1น็อตหกเหลี่ยมลบมุมเดี่ยวประเภท 1
        • น็อตหกเหลี่ยมลบมุมเดี่ยวประเภท 1น็อตหกเหลี่ยมลบมุมเดี่ยวประเภท 1
        • น็อตหกเหลี่ยมลบมุมเดี่ยวประเภท 1น็อตหกเหลี่ยมลบมุมเดี่ยวประเภท 1

        น็อตหกเหลี่ยมลบมุมเดี่ยวประเภท 1

        น็อตหกเหลี่ยมลบมุมประเภท 1 สามารถใช้สำหรับการประกอบเครื่องจักรกล การผลิตเฟอร์นิเจอร์ และการติดตั้งระบบไฟฟ้าบางอย่าง ซัพพลายเออร์ Xiaoguo® เป็นมืออาชีพ ผลิตภัณฑ์ของเราทำจากวัสดุที่รับประกันคุณภาพ และเราสามารถตอบสนองความต้องการในการซื้อของคุณได้
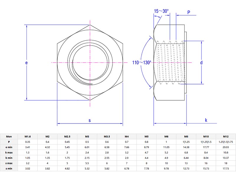
        แบบอย่าง:JIS B1181-1993

        ส่งคำถาม

        รายละเอียดสินค้า


        น็อตหกเหลี่ยมลบมุมเดี่ยวประเภท 1มีลักษณะหกเหลี่ยมที่สะดวกสำหรับการใช้เครื่องมือ มีหน้าขนาน 6 หน้า พื้นผิวเรียบ พื้นที่การส่งผ่านแรงบิดขนาดใหญ่ และความสามารถในการขันสูง โรงงาน Xiaoguo® มีถั่วลบมุมเดี่ยวหลากหลายชนิด

        น็อตหกเหลี่ยมลบมุมเดี่ยวประเภท 1 สามารถป้องกันขอบแหลมคมจากการเกี่ยวสายไฟหรือท่อ พื้นผิวการลบมุมจะเรียบเสมอกับพื้นผิว ดังนั้นจึงช่วยปกป้องวัสดุ เช่น ยาง หรือพลาสติก สามารถใช้ในระบบส่งกำลัง แผงควบคุม และสถานที่อื่นๆ


        รายละเอียดสินค้าและพารามิเตอร์

        Type 1 Single Chamfered Hexagon Nut



        น็อตหกเหลี่ยมลบมุมเดี่ยวประเภท 1 สามารถใช้ในการประกอบเฟอร์นิเจอร์ รั้ว หรือการบำรุงรักษารถยนต์ขั้นพื้นฐาน การลบมุมเดี่ยวสามารถลดขอบคมและอำนวยความสะดวกในการใช้งานของผู้ใช้ เกษตรกรใช้มันเป็นเครื่องมือในโรงนา

        เมื่อสร้างบ้าน.น็อตหกเหลี่ยมลบมุมเดี่ยวประเภท 1ใช้สำหรับยึดหมุดไม้ในกรอบ ในอาคารพาณิชย์ใช้ในการยึดเสาเหล็กและคานเหล็ก ในการก่อสร้างสะพาน น็อตเหล่านี้ใช้เพื่อเชื่อมต่อส่วนต่างๆ ของโครงสร้างสะพาน พวกเขาสามารถทนต่อภาระหนักและการสั่นสะเทือนที่ Bridges รับระหว่างการขนส่ง

        น็อตหกเหลี่ยมลบมุมเดี่ยวประเภท 1 ยังใช้สำหรับการประกอบและงานซ่อมบำรุงเครื่องจักร โรงงานต่างๆ ใช้เพื่อซ่อมอุปกรณ์เนื่องจากสามารถทนต่อสภาพแวดล้อมแรงดันสูงในการทำงานต่อเนื่องได้ คุณสามารถใช้มันสร้างโรงเก็บของในสวนหลังบ้าน ปรับแต่งโต๊ะทำงาน หรือซ่อมแซมเฟอร์นิเจอร์เก่าได้


        Type 1 Single Chamfered Hexagon Nut

        เคล็ดลับการจัดหา

        ที่น็อตหกเหลี่ยมลบมุมเดี่ยวประเภท 1ขนาดพิเศษ (เช่น M18) จะใช้เวลาหลายสัปดาห์ในการเติมสต็อก หากคุณต้องการปรับแต่ง โปรดสั่งซื้อโดยเร็วที่สุด โปรดแน่ใจว่าได้ทำการทดสอบตัวอย่าง หากเกลียวไม่ตรงกันจะเสียเวลา

        แท็กยอดนิยม: น็อตหกเหลี่ยมลบมุมเดี่ยวชนิดที่ 1 จีน ผู้ผลิต ผู้จำหน่าย โรงงาน
        หมวดหมู่ที่เกี่ยวข้อง
        ส่งคำถาม
        โปรดส่งคำถามของคุณในแบบฟอร์มด้านล่าง เราจะตอบกลับคุณภายใน 24 ชั่วโมง
        X
        เราใช้คุกกี้เพื่อมอบประสบการณ์การท่องเว็บที่ดีขึ้น วิเคราะห์การเข้าชมไซต์ และปรับแต่งเนื้อหาในแบบของคุณ การใช้ไซต์นี้แสดงว่าคุณยอมรับการใช้คุกกี้ของเรา นโยบายความเป็นส่วนตัว
        ปฏิเสธ ยอมรับ