บ้าน > สินค้า > ถั่ว > น็อตหกเหลี่ยม > น็อตหกเหลี่ยมลบมุมเดี่ยวประเภท 2
        น็อตหกเหลี่ยมลบมุมเดี่ยวประเภท 2
        • น็อตหกเหลี่ยมลบมุมเดี่ยวประเภท 2น็อตหกเหลี่ยมลบมุมเดี่ยวประเภท 2
        • น็อตหกเหลี่ยมลบมุมเดี่ยวประเภท 2น็อตหกเหลี่ยมลบมุมเดี่ยวประเภท 2
        • น็อตหกเหลี่ยมลบมุมเดี่ยวประเภท 2น็อตหกเหลี่ยมลบมุมเดี่ยวประเภท 2

        น็อตหกเหลี่ยมลบมุมเดี่ยวประเภท 2

        น็อตหกเหลี่ยมลบมุมเดี่ยวประเภท 2 สามารถใช้ในสภาพแวดล้อมที่ไม่สามารถใช้น็อตมาตรฐานได้ ความสูงของน็อตประเภท 2 สูงกว่าประเภท 1 ประมาณ 10% เมื่อซื้อจาก Xiaoguo® เรารับประกันว่าจะจัดหาผลิตภัณฑ์คุณภาพสูงที่ตรงกับความต้องการในการยึดของคุณ
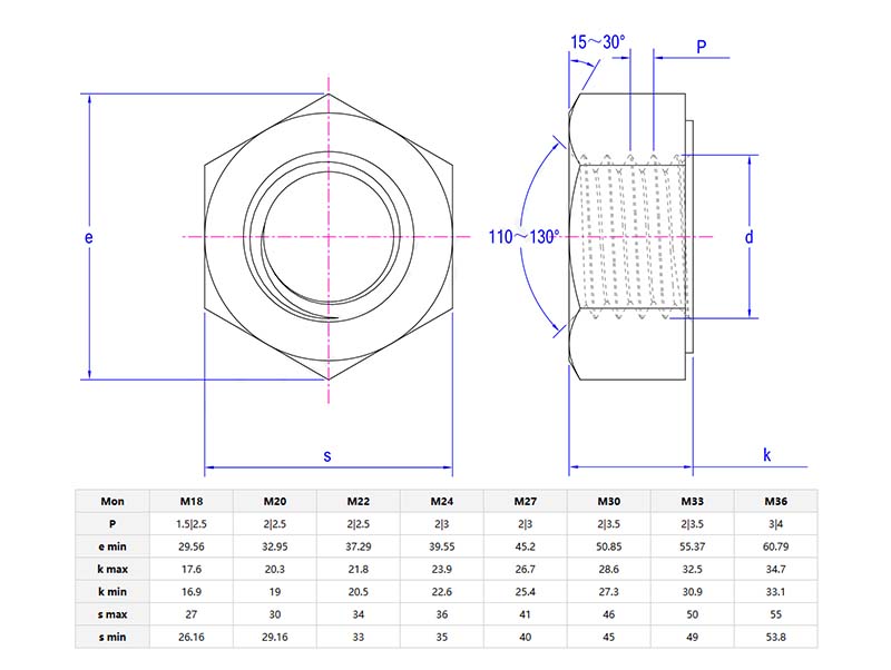
        แบบอย่าง:JIS B1181-6-1993

        ส่งคำถาม

        รายละเอียดสินค้า

        น็อตหกเหลี่ยมลบมุมเดี่ยวประเภท 2มีความหนาและแข็งแรงกว่าประเภท 1 และความสามารถในการรับน้ำหนักสูงกว่าประเภท 1 ทำให้เหมาะสำหรับการบรรทุกหนักหรือสถานการณ์ที่มีความต้องการสูง ประเภท 1 เหมาะสำหรับงานเบา ในขณะที่ประเภท 2 เหมาะสำหรับเครื่องจักรกลหนักหรืองานโครงสร้าง อย่างไรก็ตาม Type 2 มีราคาแพงกว่าและหนักกว่า

        น็อตหกเหลี่ยมลบมุมเดี่ยวประเภท 2 เป็นน็อตหกเหลี่ยมที่มีราคาไม่แพงนักซึ่งไม่ต้องการการอบชุบด้วยความร้อน น็อตประเภท 2 ส่วนใหญ่จะใช้ในการใช้งานที่จำเป็นต้องประกอบและถอดชิ้นส่วน เช่น การบินและอวกาศ ยานยนต์ การก่อสร้าง เครื่องจักร และการใช้งานอื่นๆ ที่ต้องใช้ขั้วต่อที่ค่อนข้างแข็งแรง

        รายละเอียดสินค้าและพารามิเตอร์

        Type 2 single chamfered hexagon nut


        น็อตหกเหลี่ยมลบมุมเดี่ยวประเภท 2 ติดตั้งบนโครงรถบรรทุก ระบบสายพานลำเลียง หรืออุปกรณ์การเกษตร สามารถรับแรงบิดได้มากขึ้น ป้องกันไม่ให้น็อตหลุด และการลบมุมช่วยให้จัดแนวโบลต์ได้อย่างรวดเร็ว ยุ่งยากเกินไปสำหรับชั้นวางหรือเฟอร์นิเจอร์พื้นฐาน

        เมื่อเลือกน็อตหกเหลี่ยมลบมุมเดี่ยวประเภท 2ควรพิจารณาขนาดสลักเกลียวก่อน ปรับเส้นผ่านศูนย์กลางเกลียวให้ตรงกัน (เช่น M12, ¾ ") และระยะพิทช์ (เกลียวหยาบหรือเกลียวละเอียด) การลบมุมจะเพิ่มมุมเล็กๆ ที่ด้านหนึ่งของเกลียว เมื่อขันแน่น ให้หลีกเลี่ยงการขันเกลียวผิด อย่าผสมเกลียวเมตริกและเกลียวอิมพีเรียล เพราะจะทำให้เกลียวเสียหาย

        น็อตหกเหลี่ยมลบมุมเดี่ยวประเภท 2 สามารถบังคับโบลต์ได้รวดเร็วยิ่งขึ้น ซึ่งช่วยลดเวลาหยุดทำงานของอุปกรณ์ในการผลิตจำนวนมาก น็อตชุบสังกะสีแบบจุ่มร้อนเหมาะสำหรับการใช้งานกลางแจ้ง แต่ควรหลีกเลี่ยงในสภาพแวดล้อมที่มีฤทธิ์กัดกร่อนซึ่งสารเคลือบอาจเสื่อมสภาพ อย่านำน็อตกลับมาใช้ซ้ำกับอุปกรณ์ที่ถูกทิ้ง


        Type 2 single chamfered hexagon nut

        เคล็ดลับการติดตั้ง

        เมื่อติดตั้งน็อตหกเหลี่ยมลบมุมเดี่ยวประเภท 2การลบมุมหันหน้าไปทางสลักเกลียวเพื่อให้การเชื่อมต่อแบบเกลียวราบรื่นยิ่งขึ้น ใช้ประแจทอร์คเพื่อขันให้แน่น ระวังการขันแน่นเกินไปอาจทำให้โบลต์เสียหายได้ ขอแนะนำให้ใช้โบลท์เกรดสูง (ที่มีเกรดความแข็งแรงเท่ากัน) และแหวนรองชุบแข็งร่วมกัน

        แท็กยอดนิยม: น็อตหกเหลี่ยมลบมุมเดี่ยวชนิดที่ 2 จีน ผู้ผลิต ผู้จำหน่าย โรงงาน
        หมวดหมู่ที่เกี่ยวข้อง
        ส่งคำถาม
        โปรดส่งคำถามของคุณในแบบฟอร์มด้านล่าง เราจะตอบกลับคุณภายใน 24 ชั่วโมง
        X
        เราใช้คุกกี้เพื่อมอบประสบการณ์การท่องเว็บที่ดีขึ้น วิเคราะห์การเข้าชมไซต์ และปรับแต่งเนื้อหาในแบบของคุณ การใช้ไซต์นี้แสดงว่าคุณยอมรับการใช้คุกกี้ของเรา นโยบายความเป็นส่วนตัว
        ปฏิเสธ ยอมรับ