บ้าน > สินค้า > ถั่วเชื่อม > สกรูเชื่อม > สกรูเชื่อมพร้อมเกลียวเมตริก
        สกรูเชื่อมพร้อมเกลียวเมตริก
        • สกรูเชื่อมพร้อมเกลียวเมตริกสกรูเชื่อมพร้อมเกลียวเมตริก
        • สกรูเชื่อมพร้อมเกลียวเมตริกสกรูเชื่อมพร้อมเกลียวเมตริก
        • สกรูเชื่อมพร้อมเกลียวเมตริกสกรูเชื่อมพร้อมเกลียวเมตริก

        สกรูเชื่อมพร้อมเกลียวเมตริก

        สกรูเชื่อมที่มีเกลียวเมตริกใช้สำหรับเชื่อมกับพื้นผิวโลหะ จากนั้นจะใช้เกลียวเมตริกเพื่อเชื่อมต่อส่วนประกอบอื่นๆ บริษัท Xiaoguo® มีสินค้าคงคลังเพียงพอในสต็อก เหมาะสำหรับการผลิตโลหะ แผงยานยนต์ หรือโครงอุตสาหกรรม
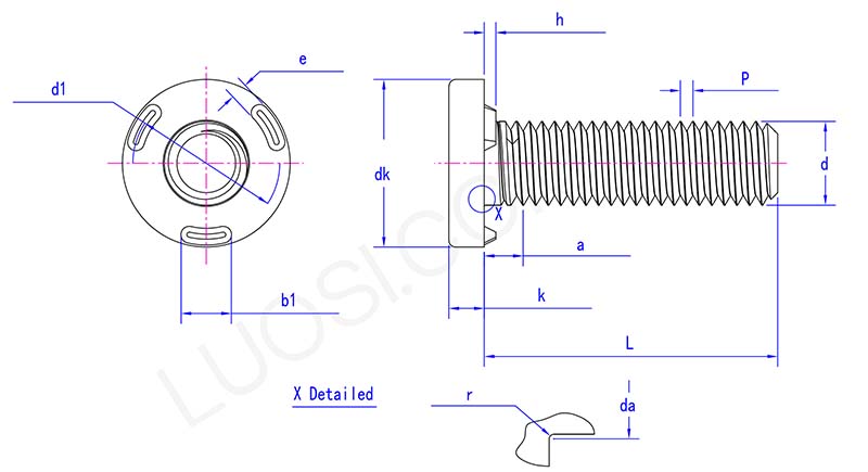
        แบบอย่าง:DIN 34817-2001

        ส่งคำถาม

        รายละเอียดสินค้า

        จันทร์
        ม5 ม6 ม8 ม10 ม12 ม14
        P
        0.8 1 1.25 1.5 1.5 1.5
        สูงสุด
        2.4 2.8 3.7 4.4 4.6 4.6
        สูงสุด
        10 12 16 20 24 28
        ดีเค ขั้นต่ำ
        9.64 11.57 15.57 19.48 23.48 27.48
        d1 นาที
        7.85 9.75 13.25 17.15 21.15 25.20
        สูงสุด d1
        8.21 10.11 13.68 17.58 21.67 25.72
        ชั่วโมงสูงสุด
        0.8 0.8 1.2 1.4 1.6 1.6
        ชั่วโมง
        0.7 0.7 1.1 1.3 1.5 1.5
        เคสูงสุด
        2.2 2.7 3.2 4.2 5 5.8
        กิโลนาที
        1.8 2.3 2.8 3.8 4.6 5.4
        นาที
        0.1 0.15 0.15 0.15 0.15 0.2
        อีสูงสุด
        1.7 1.7 2.2 2.2 2.2 2.7
        อีนาที
        1.3 1.3 1.8 1.8 1.8 2.3
        b1 สูงสุด
        3.9 4.4 5.9 7.9 9.4 11.5
        ข1 นาที
        3.1 3.6 5.1 7.1 8.6 10.5
        สูงสุด
        5.3 6.4 8.4 10.5 13 15

        สกรูเชื่อมที่มีเกลียวเมตริกจะถูกยึดเข้ากับชิ้นงานโดยการเชื่อม สกรูชนิดนี้มีทั้งแบบหัวและแบบไม่มีหัว ตามเกลียวสามารถจำแนกเพิ่มเติมได้เป็นสกรูเชื่อมเกลียวภายนอกและสกรูเชื่อมเกลียวภายใน ข้อมูลจำเพาะโดยทั่วไปมีตั้งแต่ M5 ถึง ม14

        Weld screw with metric thread parameter

        สามารถนำมาใช้ใน

        ใช้สกรูเชื่อมที่มีเกลียวเมตริกเพื่อซ่อมแซมโครงยึดท่อไอเสีย ถ้าสายฟ้ารูของโครงยึดท่อไอเสียชำรุด สามารถซ่อมแซมได้โดยใช้รูดังกล่าว ทำความสะอาดจุดเชื่อมแบบจุดบนเฟรม ติดตั้งสกรู และทำการเชื่อมแบบจุดผ่านรูบนแหวนรอง ขันวงเล็บให้แน่นด้วยสลักเกลียว ใช้เวลาเพียง 3 นาทีและไม่จำเป็นต้องเจาะซ้ำหรือแตะ สามารถทนต่อแรงสั่นสะเทือนของถนนได้โดยไม่คลายตัว

        สกรูเชื่อมพร้อมเกลียวเมตริกใช้เพื่ออัพเกรดโครงยึดสายพานลำเลียง หากคุณต้องการเพิ่มเซ็นเซอร์ลงในสายพานลำเลียงที่มีอยู่ ให้ใช้เซ็นเซอร์เหล่านั้นเพื่อติดตั้งขายึดอย่างรวดเร็ว เชื่อมสกรู M8 เข้ากับรางนำเฟรมที่ต้องการ ไม่จำเป็นต้องเจาะรูในโครงสร้างหลัก ขายึดเซ็นเซอร์ถูกยึดเข้ากับเกลียวใหม่โดยตรงด้วยสลักเกลียว ช่วยประหยัดเวลาที่ต้องใช้ในการเดินสายไฟใหม่ระหว่างการปรับปรุงและติดตั้ง

        สกรูเชื่อมใช้สำหรับติดตั้งท่อไฮดรอลิก หากจำเป็นต้องยึดแคลมป์ท่อไฮดรอลิกบนอุปกรณ์ การใช้แคลมป์ดังกล่าวสามารถป้องกันการสั่นได้ เชื่อมสกรู M6 ตามแนวโครงทุกๆ 18 นิ้ว ขายึดยึดเข้ากับสกรูโดยตรงด้วยสลักเกลียว สามารถรับแรงสั่นสะเทือนต่อเนื่องได้ดีกว่าสกรูโลหะแผ่น ป้องกันไม่ให้ท่ออ่อนชำรุดเนื่องจากการเสียดสี

        คุณสมบัติผลิตภัณฑ์

        คุณสมบัติของสกรูเชื่อมที่มีเกลียวเมตริกอยู่ที่การใช้วิธีการตรึงการเชื่อม เมื่อเปรียบเทียบกับการเชื่อมต่อทางกลแบบธรรมดา การเชื่อมสามารถทำให้สกรูและวัสดุฐานเกิดพันธะที่แน่นหนาขึ้น ซึ่งเกือบจะประสานกันแล้ว การออกแบบเกลียวเมตริกสามารถจับคู่กับน็อตหรือส่วนประกอบที่มีเกลียวภายในได้อย่างสะดวก ซึ่งช่วยให้สามารถติดตั้งชิ้นส่วนอื่นๆ ได้ในอนาคต นอกจากนี้ ความแม่นยำด้านมิติของเกลียวยังเป็นไปตามมาตรฐานเมตริก ทำให้มีความอเนกประสงค์สูง

        แท็กยอดนิยม: สกรูเชื่อมด้วยด้ายเมตริก จีน ผู้ผลิต ผู้จำหน่าย โรงงาน
        หมวดหมู่ที่เกี่ยวข้อง
        ส่งคำถาม
        โปรดส่งคำถามของคุณในแบบฟอร์มด้านล่าง เราจะตอบกลับคุณภายใน 24 ชั่วโมง
        X
        เราใช้คุกกี้เพื่อมอบประสบการณ์การท่องเว็บที่ดีขึ้น วิเคราะห์การเข้าชมไซต์ และปรับแต่งเนื้อหาในแบบของคุณ การใช้ไซต์นี้แสดงว่าคุณยอมรับการใช้คุกกี้ของเรา นโยบายความเป็นส่วนตัว
        ปฏิเสธ ยอมรับ