บ้าน > สินค้า > ถั่ว > น็อตกลม > น็อตกลมมีรูเกลียวเต็ม
        น็อตกลมมีรูเกลียวเต็ม
        • น็อตกลมมีรูเกลียวเต็มน็อตกลมมีรูเกลียวเต็ม
        • น็อตกลมมีรูเกลียวเต็มน็อตกลมมีรูเกลียวเต็ม

        น็อตกลมมีรูเกลียวเต็ม

        น็อตกลมแบบมีเกลียวเต็มตัวได้รับการออกแบบให้มีรอยบากที่ขอบด้านนอกเพื่อใช้กับประแจพิน ทุกวันนี้ ลูกค้าจำนวนมากซื้อผลิตภัณฑ์เหล่านี้จาก China XIAOGUO เนื่องจากมีความคุ้มค่าและมีอุปทานที่มั่นคงและเชื่อถือได้

        ส่งคำถาม

        รายละเอียดสินค้า

        คำแนะนำการใช้ผลิตภัณฑ์

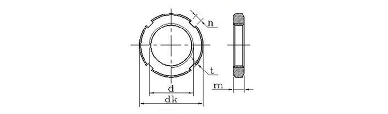
        น็อตกลมร่องเกลียวเต็ม - ถูกกำหนดตามมาตรฐาน เช่น DIN 546 และส่วนใหญ่จะใช้เพื่อให้ได้การเชื่อมต่อที่แน่นหนาและสามารถทนต่อการสั่นสะเทือน คุณสมบัติหลักของน็อตเหล่านี้อยู่ที่ช่องที่ตัดที่ปลายด้านหนึ่งของน็อต วิธีใช้มีดังนี้ ขั้นแรก ขันน็อตเข้ากับสลักเกลียวหรือสตั๊ดที่เจาะไว้ล่วงหน้า แล้วขันให้แน่นในตำแหน่งที่ต้องการ หลังจากขันให้แน่นแล้ว ให้จัดตำแหน่งช่องให้ตรงกับรูบนแกนโบลต์ สุดท้าย ให้สอดหมุดแบบเปิด (แหวนรองล็อค) หรือสายนิรภัยผ่านช่องที่จัดตำแหน่งไว้และรูสลักเกลียว จากนั้นงอปลายของหมุดเพื่อให้แน่ใจว่าแน่นพอดี ดังนั้นเมื่อมีการสั่นสะเทือน น็อตจะไม่คลายตัว

        บรรจุภัณฑ์สินค้า

        จากผลการตรวจสอบของเรา เรามีกลุ่มผลิตภัณฑ์น็อตกลมร่องเกลียวเต็มตัว ซึ่งเหมาะอย่างยิ่งสำหรับการใช้งานในอุตสาหกรรม การบรรจุลงในถุงหรือกล่องเป็นวิธีการทั่วไปและใช้งานได้จริง โดยทั่วไปแต่ละถุงจะประกอบด้วยถั่วจำนวนหนึ่ง เช่น ถุงละ 100 เม็ด แบบฟอร์มบรรจุถุงนี้สะดวกสำหรับการขนส่ง การนับสินค้าคงคลัง และการจัดจำหน่ายในโรงงานหรือสายการประกอบ บรรจุภัณฑ์มักจะโปร่งใสหรือมีฉลาก ช่วยให้คุณระบุประเภทและขนาดของถั่วได้อย่างรวดเร็ว หากคุณเป็นผู้ผลิตหรือผู้ซื้อรายใหญ่ เรายังสามารถจัดหาบรรจุภัณฑ์แบบกล่องในปริมาณที่มากขึ้นหรือปรับแต่งบรรจุภัณฑ์ตามความต้องการของคุณ ซึ่งจะช่วยลดต้นทุนและทำให้ห่วงโซ่อุปทานของโครงการของคุณดำเนินไปได้อย่างราบรื่นยิ่งขึ้น

        ช่วงถามตอบ

        โดยทั่วไปแล้วน็อตกลม Slotted แบบเกลียวเต็มของคุณทำจากวัสดุอะไร?

        ตอบ: เรามักจะผลิตถั่วจากเหล็กกล้าคาร์บอนเพื่อใช้ทั่วไป นอกจากนี้เรายังมีตัวเลือกสแตนเลส (เกรด 304 และ 316) หากคุณต้องการสิ่งที่ทนทานต่อสนิม และตัวเลือกทองเหลืองสำหรับการใช้งานที่ไม่ใช่แม่เหล็ก เพียงเลือกวัสดุสำหรับน็อตโดยพิจารณาจากสภาพแวดล้อมและความต้องการด้านกลไกของคุณโดยเฉพาะ

        Fully Threaded Slotted Round Nuts


        หน่วย:มม
        ง*พี ดีเค m n t คุณภาพต่อผลิตภัณฑ์เหล็ก 1,000 รายการ asymkz ง*พี ดีเค m n t คุณภาพต่อผลิตภัณฑ์เหล็ก 1,000 รายการ asykg
        สูงสุด นาที สูงสุด นาที สูงสุด นาที สูงสุด นาที
        M10*1 22 8 4.3 4 2.6 2 16.82 M64*2 95 12 8.36 8 4.25 3.5 351.9
        M12*1.25 25 21.58 M65*2 95 342.4
        M14*1.5 28 26.82 M68*2 100 10.36 10 4.75 4 380.2
        M16*1.5 30 5.3 5 3.1 2.5 28.44 M72*2 105 15 518
        M18*1.5 32 31.19 M75*2 105 477.5
        M20*1.5 35 37.31 M76*2 110 562.4
        M22*1.5 38 10 54.91 M80*2 115 608.4
        M24*1.5 42 68.88 M85*2 120 640.6
        M25*1.5 42 68.88 M90*2 125 18 12.43 12 5.75 5 796.1
        M27*1.5 45 75.49 M95*2 130 834.7
        M30*1.5 48 82.11 M100*2 135 873.3
        M33*1.5 52 6.3 6 3.6 3 93.32 M105*2 140 895
        M35*1.5 52 84.99 M110*2 150 14.43 14 6.75 6 1076
        M36*1.5 55 100.3 M115*2 155 22 1369
        M39*1.5 58 107.3 M120*2 160 1423
        M40*1.5 58 109.5 M125*2 165 1477
        M42*1.5 62 121.8 M130*2 170 1531
        M45*1.5 68 153.6 M140*2 180 26 1937
        M48*1.5 72 12 8.36 8 4.25 3.5 201.2 M150*2 200 16.43 16 7.9 7 2651
        M50*1.5 72 186.8 M160*3 210 2810
        M52*1.5 78 238 M170*3 220 2970
        M55*2 78 214.4 M180*3 230 30 3610
        M56*2 85 290.1 M190*3 240 3794
        M60*2 90 320.3 M200*3 250 3978





        แท็กยอดนิยม: น็อตกลม Slotted เกลียวเต็ม จีน ผู้ผลิต ผู้จำหน่าย โรงงาน
        หมวดหมู่ที่เกี่ยวข้อง
        ส่งคำถาม
        โปรดส่งคำถามของคุณในแบบฟอร์มด้านล่าง เราจะตอบกลับคุณภายใน 24 ชั่วโมง
        X
        เราใช้คุกกี้เพื่อมอบประสบการณ์การท่องเว็บที่ดีขึ้น วิเคราะห์การเข้าชมไซต์ และปรับแต่งเนื้อหาในแบบของคุณ การใช้ไซต์นี้แสดงว่าคุณยอมรับการใช้คุกกี้ของเรา นโยบายความเป็นส่วนตัว
        ปฏิเสธ ยอมรับ