แกนหมุดย้ำ UN สำหรับบอร์ด PCB มักทำจากโลหะผสมเหล็กที่ดี เช่น เหล็กคาร์บอนต่ำหรือสแตนเลส หรืออลูมิเนียม พวกเขามีความแข็งแรงทางกลที่มั่นคงและคงอยู่ได้ดีเมื่อเวลาผ่านไป
เหล็กมีความต้านทานแรงดึงและแรงเฉือนมากที่สุด ในทางกลับกัน อลูมิเนียมนำไฟฟ้าได้อย่างดีและมีน้ำหนักเบา
โลหะที่เลือกสำหรับสตั๊ดเหล่านี้หมายความว่าสามารถรับน้ำหนักทางกลหนัก ความเครียดจากวงจรการทำความร้อนและความเย็น และคงความแข็งแกร่งตลอดเวลาที่มีการใช้งานผลิตภัณฑ์
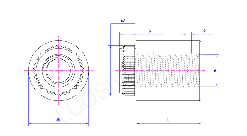
หมุดย้ำ UN สำหรับบอร์ด PCB เป็นตัวยึดแบบถาวรและมีความแข็งแรงสูง ซึ่งใช้เพื่อเป็นจุดยึดเกลียวภายนอกที่เชื่อถือได้บนแผงวงจรพิมพ์ (PCB) โดยทั่วไป "UN" ในที่นี้หมายถึง "มาตรฐานแห่งชาติที่สม่ำเสมอ" ซึ่งหมายถึงประเภทเกลียวสกรูมาตรฐานที่มีอยู่ (เช่น UNC หรือ UNF) ซึ่งช่วยให้มั่นใจว่าสามารถใช้งานร่วมกับน็อตมาตรฐานต่างๆ ได้
กระบวนการติดตั้งรวดเร็วและมีประสิทธิภาพ ใส่สตั๊ดเข้าไปในรูที่เจาะไว้ล่วงหน้าบนบอร์ด PCB จากนั้น ใช้เครื่องมือตอกหมุดโดยเฉพาะเพื่อทำให้ปลายแบนของสตั๊ดเปลี่ยนรูป ทำให้ขยายออกด้านนอกและยึดเกาะระหว่างหัวหมุดย้ำกับไหล่หรือหน้าแปลนของหมุดย้ำได้อย่างแน่นหนา ทำให้เกิดการเชื่อมต่อที่แข็งแรงและทนทานต่อการสั่นสะเทือนโดยไม่จำเป็นต้องเชื่อม
วิธีนี้เหมาะเป็นพิเศษสำหรับสถานการณ์ที่ต้องทนต่อแรงเค้นเชิงกลขนาดใหญ่ จำเป็นต้องผ่านการทำงานแบบเสียบปลั๊กหลายครั้ง หรือในกรณีที่ความร้อนที่เกิดจากการเชื่อมอาจทำให้ส่วนประกอบที่ละเอียดอ่อนเสียหายได้
แกนหมุดย้ำของ UN สำหรับบอร์ด PCB เหล่านี้ถูกใส่โดยใช้วิธีขึ้นรูปเย็นหรือโลดโผน
คุณติดสตั๊ดผ่านรูที่เจาะไว้ล่วงหน้าใน PCB จากนั้น เครื่องมือโลดโผนพิเศษจะงอก้านของสตั๊ดกับดายใต้กระดาน ทำให้เกิดตัวล็อคบานบานถาวรที่จะยึดมันให้อยู่กับที่
วิธีการประมวลผลแบบเย็นจะสร้างความร้อนน้อยลง และจะไม่สร้างความเสียหายให้กับลามิเนต PCB หรือวงจร เมื่อติดตั้งอย่างถูกต้อง สตัดจะให้การยึดเกาะที่แข็งแรงและทนต่อการสั่นสะเทือน โดยไม่กระทบต่อโครงสร้างของแผงวงจร

| ตลาด | รายได้(ปีก่อน) | รายได้รวม (%) |
| ทวีปอเมริกาเหนือ | เป็นความลับ | 20 |
| อเมริกาใต้ | เป็นความลับ | 4 |
| ยุโรปตะวันออก | เป็นความลับ | 24 |
| เอเชียตะวันออกเฉียงใต้ | เป็นความลับ | 2 |
| แอฟริกา | เป็นความลับ | 2 |
| โอเชียเนีย | เป็นความลับ | 1 |
| ตะวันออกกลาง | เป็นความลับ | 4 |
| เอเชียตะวันออก | เป็นความลับ | 13 |
| ยุโรปตะวันตก | เป็นความลับ | 18 |
| อเมริกากลาง | เป็นความลับ | 6 |
| ยุโรปเหนือ | เป็นความลับ | 2 |
| ยุโรปตอนใต้ | เป็นความลับ | 1 |
| เอเชียใต้ | เป็นความลับ | 4 |
| ตลาดในประเทศ | เป็นความลับ | 5 |